Electrical Wiring Diagram

Electrical wiring diagrams are essential tools used by electricians and engineers to understand the layout of electrical systems. These diagrams show the connections between various components and help in troubleshooting electrical issues. They provide a visual representation of how electricity flows through a circuit, making it easier to identify problems and make necessary repairs.

Whether you are working on a simple home wiring project or a complex industrial electrical system, having a detailed wiring diagram is crucial. It helps ensure that all connections are made correctly and that the system operates safely and efficiently.

Electrical Wiring Diagram Of A HouseElectrical Wiring Diagram Of A House (circuitdiagramtids.z21.web.core.windows….)

Electrical Wiring Diagram

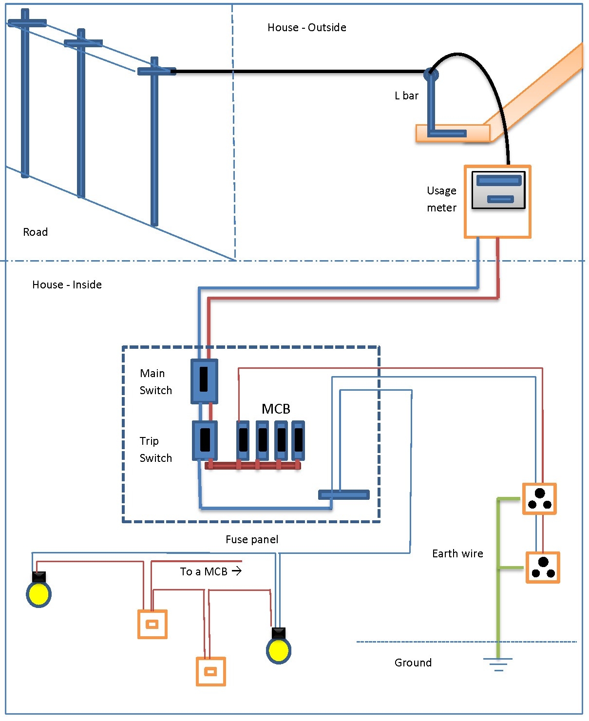
Electrical wiring diagrams typically consist of symbols that represent different electrical components such as wires, switches, outlets, and lights. These symbols are connected by lines that indicate the flow of electricity through the system. Understanding how to read these diagrams is essential for anyone working with electrical systems.

One of the key components of an electrical wiring diagram is the circuit breaker. This device is designed to protect the electrical system from overloads and short circuits by interrupting the flow of electricity when necessary. The wiring diagram will show the location of each circuit breaker and how it is connected to the rest of the system.

Another important aspect of electrical wiring diagrams is the grounding system. Grounding is crucial for ensuring the safety of the electrical system and preventing electrical shocks. The diagram will show how each component is grounded and how the grounding system is connected to the main electrical panel.

In addition to showing the layout of the electrical system, wiring diagrams also provide valuable information on the size and type of wires used in the system. Proper wire sizing is essential for preventing overheating and fire hazards, so it is important to follow the guidelines provided in the diagram.

In conclusion, electrical wiring diagrams are indispensable tools for anyone working with electrical systems. They provide a visual representation of the electrical connections and components, making it easier to understand how the system operates. By following the information provided in the diagram, electricians and engineers can ensure that the system is installed correctly and operates safely.


Download and Print Electrical Wiring Diagram Listed below

Visio Wiring Diagram Electrical Plan Visio Wiring Lib Vrogue coVisio Wiring Diagram Electrical Plan Visio Wiring Lib Vrogue Co (www.vrogue.co)

Electrical Wiring Diagrams For Dummies Pdf Hastalavista Electrical Electrical Wiring Diagrams For Dummies Pdf Hastalavista Electrical (2020cadillac.com)

Electrical Wiring Diagram ExamplesElectrical Wiring Diagram Examples (axiom-northwest.com)

Simple House Wiring Diagram Exles InfoupdateSimple House Wiring Diagram Exles Infoupdate (infoupdate.org)

Car Electrical Wiring Diagram For Android DownloadCar Electrical Wiring Diagram For Android Download (car-electrical-wiring-diagram.en.softoni…)

Electrical Wiring Diagram

Mastering Electrical Wiring Diagram is more than just a technical skill — it’s a key advantage that can greatly enhance the effectiveness, security, and outcome of any electrical project. Whether you’re a homeowner working on DIY installations or a skilled expert dealing with complex circuits, the ability to read and interpret wiring diagrams accurately can increase productivity, reduce issues, and deliver better outcomes.

The Electrical Wiring Diagram serve as a common framework in the world of electricity. They simplify complex circuits, give insight during troubleshooting, and ensure that every connection is made with accuracy and intent. As electrical technology continues to evolve, having a solid understanding of these diagrams keeps you up to date and ready to handle new technologies.

Keep in mind, no matter your experience level, regular practice is key. Take the time to explore real-world examples, follow industry standards, and don’t hesitate to seek expert advice when needed.

Thanks for reading Electrical Wiring Diagram. We hope it helped you gain a deeper understanding of wiring diagrams and their importance. Be sure to check out our other resources to continue learning more in electrical work and beyond.