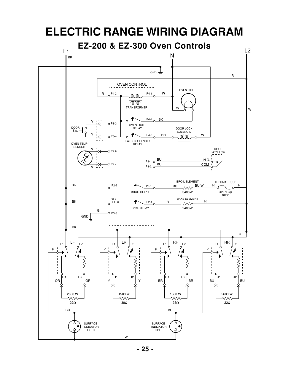
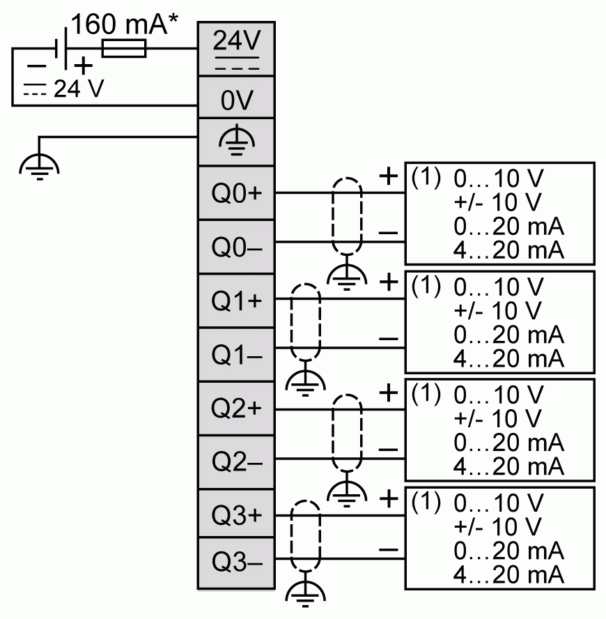
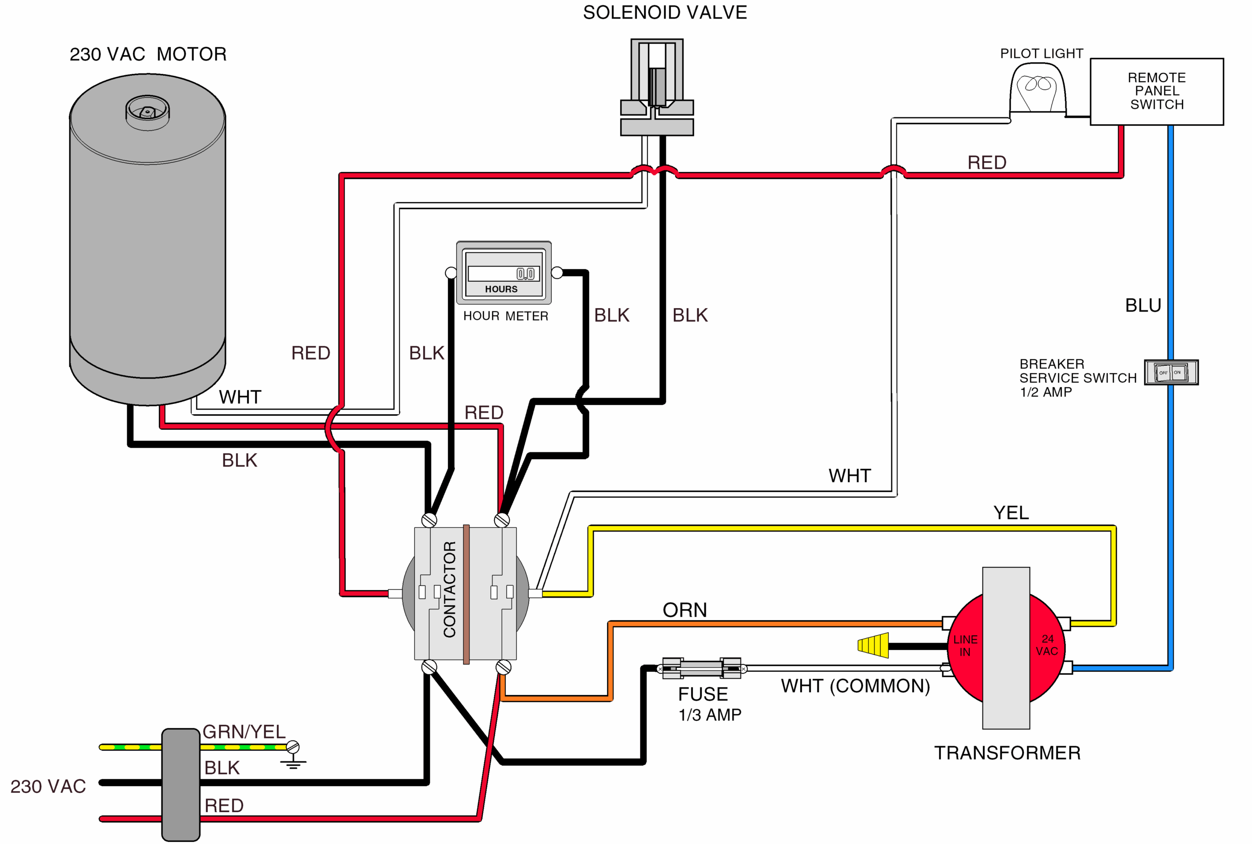
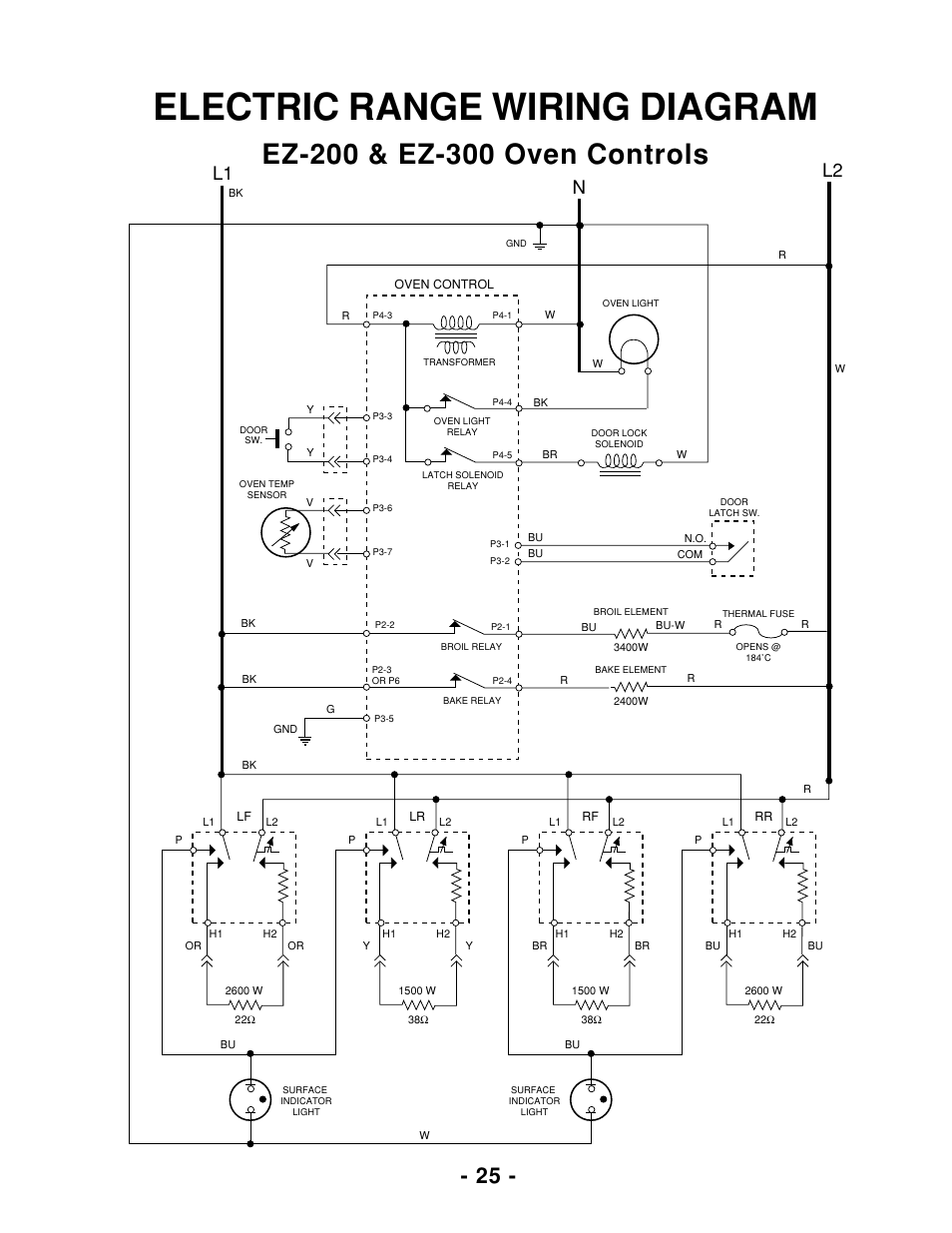
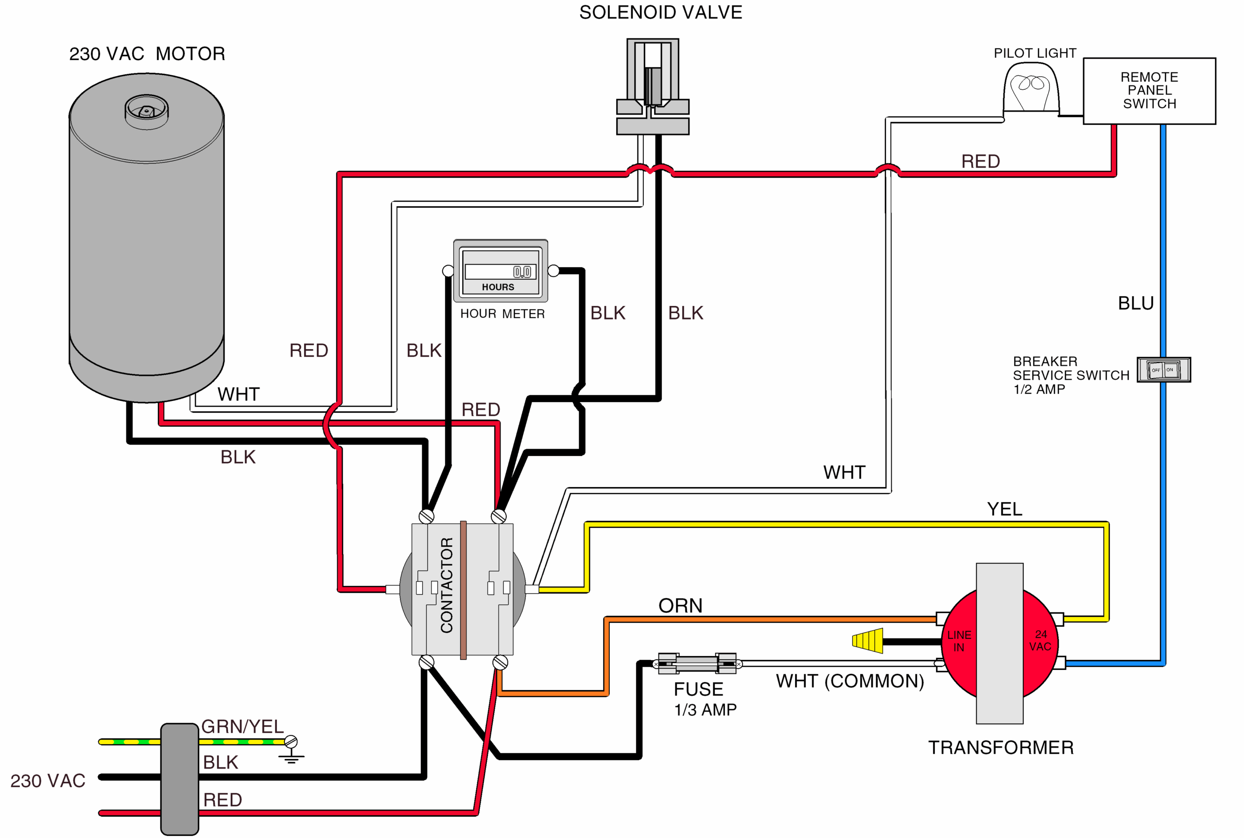
Electric wiring diagrams are essential tools for understanding and troubleshooting electrical systems. They provide a visual representation of the circuit layout, showing the connections between various components and the flow of electricity. By following the diagram, electricians can easily identify potential issues and make necessary repairs.
Whether you are working on a simple home wiring project or a complex industrial installation, having a clear and accurate wiring diagram is crucial. It serves as a roadmap for the electrical system, helping you to ensure that everything is connected correctly and functioning properly.
DIAGRAM Wiring Diagram Book Schneider Electric MYDIAGRAM ONLINE (mydiagram.online)
Electric Wiring Diagram
Electric wiring diagrams typically consist of symbols representing different electrical components, such as switches, outlets, and wires. These symbols are connected by lines that show the paths of the electrical currents. By studying the diagram, you can see how each component is connected to the others and how they work together to create a complete circuit.
In addition to showing the physical layout of the electrical system, wiring diagrams also provide information about voltage levels, current flow, and other important electrical parameters. This information is crucial for diagnosing problems and ensuring that the system is operating safely and efficiently.
When creating or interpreting a wiring diagram, it is important to pay attention to details such as wire colors, sizes, and types. These details can help you identify the specific components in the circuit and ensure that you are using the right materials for the job. Inaccuracies or mistakes in the diagram can lead to electrical failures or safety hazards, so it is crucial to double-check your work and seek help from a professional if needed.
Overall, electric wiring diagrams are invaluable tools for anyone working with electrical systems. They provide a clear and concise way to visualize complex circuits, making it easier to understand how electricity flows through a system and how different components interact with each other. By using wiring diagrams correctly, you can ensure that your electrical projects are safe, efficient, and successful.