Starter Relay Wiring Diagram

When it comes to starting your vehicle, the starter relay plays a crucial role in the process. It is responsible for transmitting the electrical signal from the ignition switch to the starter motor, allowing the engine to turn over and start. Understanding the wiring diagram of the starter relay can help you troubleshoot any issues related to starting your vehicle.

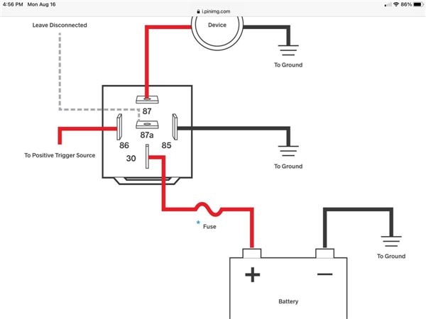
The starter relay wiring diagram typically consists of several components, including the battery, ignition switch, starter motor, and of course, the starter relay itself. By following the wiring diagram, you can identify the connections between these components and ensure that they are properly connected to each other.

5 Pin Starter Relay Wiring Diagram5 Pin Starter Relay Wiring Diagram (stewart-switch.com)

First, locate the starter relay in your vehicle. It is usually found near the battery or the fuse box. The starter relay is a small device with several terminals for connecting wires. The wiring diagram will show you which wires should be connected to each terminal, ensuring that the electrical signal is transmitted correctly.

Next, check the connections between the battery, ignition switch, and starter motor. Make sure that all wires are securely connected and free from any damage or corrosion. Any loose or damaged connections can prevent the starter relay from functioning properly, leading to starting issues.

If you are experiencing starting problems with your vehicle, refer to the starter relay wiring diagram to troubleshoot the issue. Check the continuity of the wires, test the voltage at different terminals, and inspect the condition of the components involved. By following the wiring diagram, you can pinpoint the source of the problem and make the necessary repairs.

In conclusion, the starter relay wiring diagram is a valuable tool for understanding how your vehicle’s starting system works. By familiarizing yourself with the connections and components involved, you can troubleshoot any issues that may arise and ensure that your vehicle starts smoothly every time. Remember to consult the wiring diagram whenever you encounter starting problems and follow the proper procedures for troubleshooting and repair.


Download and Print Starter Relay Wiring Diagram Listed below

Understanding The Mopar Starter Relay Wiring Diagram Moo WiringUnderstanding The Mopar Starter Relay Wiring Diagram Moo Wiring (moowiring.com)

Understanding Your Starter Relay Wiring Diagram Moo WiringUnderstanding Your Starter Relay Wiring Diagram Moo Wiring (moowiring.com)

Wiring Diagram For A Starter Relay Wiring Digital And SchematicWiring Diagram For A Starter Relay Wiring Digital And Schematic (www.wiringdigital.com)

Harley Starter Relay Wiring DiagramHarley Starter Relay Wiring Diagram (stewart-switch.com)

Starter Relay Wiring Diagram Guide And InstructionsStarter Relay Wiring Diagram Guide And Instructions (schempro.com)

Starter Relay Wiring Diagram

Mastering Starter Relay Wiring Diagram is more than just a basic requirement — it’s a powerful tool that can greatly boost the effectiveness, safety, and performance of any electrical project. Whether you’re a DIY enthusiast handling DIY installations or a skilled expert dealing with complex circuits, the ability to analyze wiring diagrams clearly can save you time, prevent costly mistakes, and ensure success.

The Starter Relay Wiring Diagram function as a common framework in the world of electricity. They simplify complex circuits, give insight during troubleshooting, and support that every connection is made with purpose and precision. As electrical technology continues to evolve, having a solid understanding of these diagrams keeps you prepared for change and able to handle new technologies.

Remember, no matter your skill set, continuous learning is key. Take the time to explore real-world examples, keep up with industry standards, and don’t hesitate to ask questions when needed.

Thanks for reading Starter Relay Wiring Diagram. We hope it helped you gain a deeper understanding of wiring diagrams and their value. Be sure to check out our other guides to continue learning more in electrical systems and beyond.