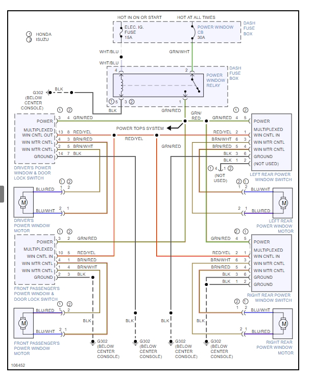
Driver Side Power Window Switch Wiring Diagram

When it comes to troubleshooting issues with your power window switch, having a wiring diagram can be incredibly helpful. The driver side power window switch is a crucial component in controlling the windows of your vehicle, and understanding how it is wired can make diagnosing problems much easier.

Whether you are experiencing issues with your window not rolling up or down, or if the switch is completely unresponsive, having a wiring diagram can help you identify where the issue may lie.

Gm Power Window Switch Wiring Diagram Moo WiringGm Power Window Switch Wiring Diagram Moo Wiring (moowiring.com)

One of the most common wiring diagrams for a driver side power window switch includes connections for the power source, ground, and the motor itself. The power source is typically connected to a fuse that provides power to the switch. The ground connection ensures that the switch has a complete circuit to function properly. The wiring for the motor is what controls the movement of the window up and down when the switch is activated.

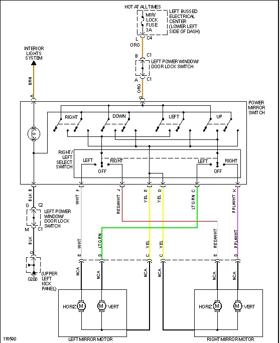
In some cases, there may also be connections for features such as auto-up or auto-down functionality, as well as connections for illumination of the switch itself. Understanding the wiring diagram for your specific vehicle can help you troubleshoot any issues that may arise with the power window switch.

It is important to note that wiring diagrams can vary depending on the make and model of your vehicle, so it is essential to locate the correct diagram for your specific year and model. This information can usually be found in the vehicle’s service manual or by contacting the manufacturer directly.

By familiarizing yourself with the wiring diagram for your driver side power window switch, you can have a better understanding of how the switch functions and be better equipped to troubleshoot any issues that may arise. Whether you are a DIY enthusiast or prefer to leave repairs to the professionals, having this knowledge can save you time and money in the long run.

Overall, the driver side power window switch wiring diagram is a valuable tool for anyone who wants to understand how their vehicle’s power windows operate. By taking the time to study the diagram and familiarize yourself with the connections, you can be better prepared to address any issues that may arise with your power window switch.


Download and Print Driver Side Power Window Switch Wiring Diagram Listed below

Chevy Power Window Switch Wiring Diagram Wiring Digital And SchematicChevy Power Window Switch Wiring Diagram Wiring Digital And Schematic (www.wiringdigital.com)

Driver Side Window Switch Wiring Diagram Needed Driver Side Window Switch Wiring Diagram Needed (www.2carpros.com)

Power Window Switch Wiring Diagram Toyota Wiring Digital And SchematicPower Window Switch Wiring Diagram Toyota Wiring Digital And Schematic (www.wiringdigital.com)

Power Window Master Switch Harness Wiring Diagram 54 OFFPower Window Master Switch Harness Wiring Diagram 54 OFF (www.pinnaxis.com)

Ultimate Guide Driver Side Power Window Switch Wiring Diagram WEUP Ultimate Guide Driver Side Power Window Switch Wiring Diagram WEUP (www.cnweup.com)

Driver Side Power Window Switch Wiring Diagram

Mastering Driver Side Power Window Switch Wiring Diagram is more than just a practical ability — it’s a powerful tool that can greatly boost the effectiveness, security, and outcome of any electrical project. Whether you’re a homeowner working on small home projects or a professional electrician dealing with industrial tasks, the ability to analyze wiring diagrams effectively can avoid delays, prevent costly mistakes, and deliver better outcomes.

The Driver Side Power Window Switch Wiring Diagram function as a common framework in the world of electricity. They break down complex circuits, offer guidance during troubleshooting, and ensure that every connection is made with purpose and precision. As electrical technology moves forward, having a solid understanding of these diagrams keeps you prepared for change and able to handle modern systems.

Don’t forget, no matter your experience level, continuous learning is key. Study real-world examples, follow industry standards, and don’t hesitate to seek expert advice when needed.

We appreciate your time for read Driver Side Power Window Switch Wiring Diagram. We hope it gave you insight of wiring diagrams and their importance. Be sure to browse our other resources to continue expanding your skills in electrical systems and beyond.