Wiring Diagram Ford Mustang

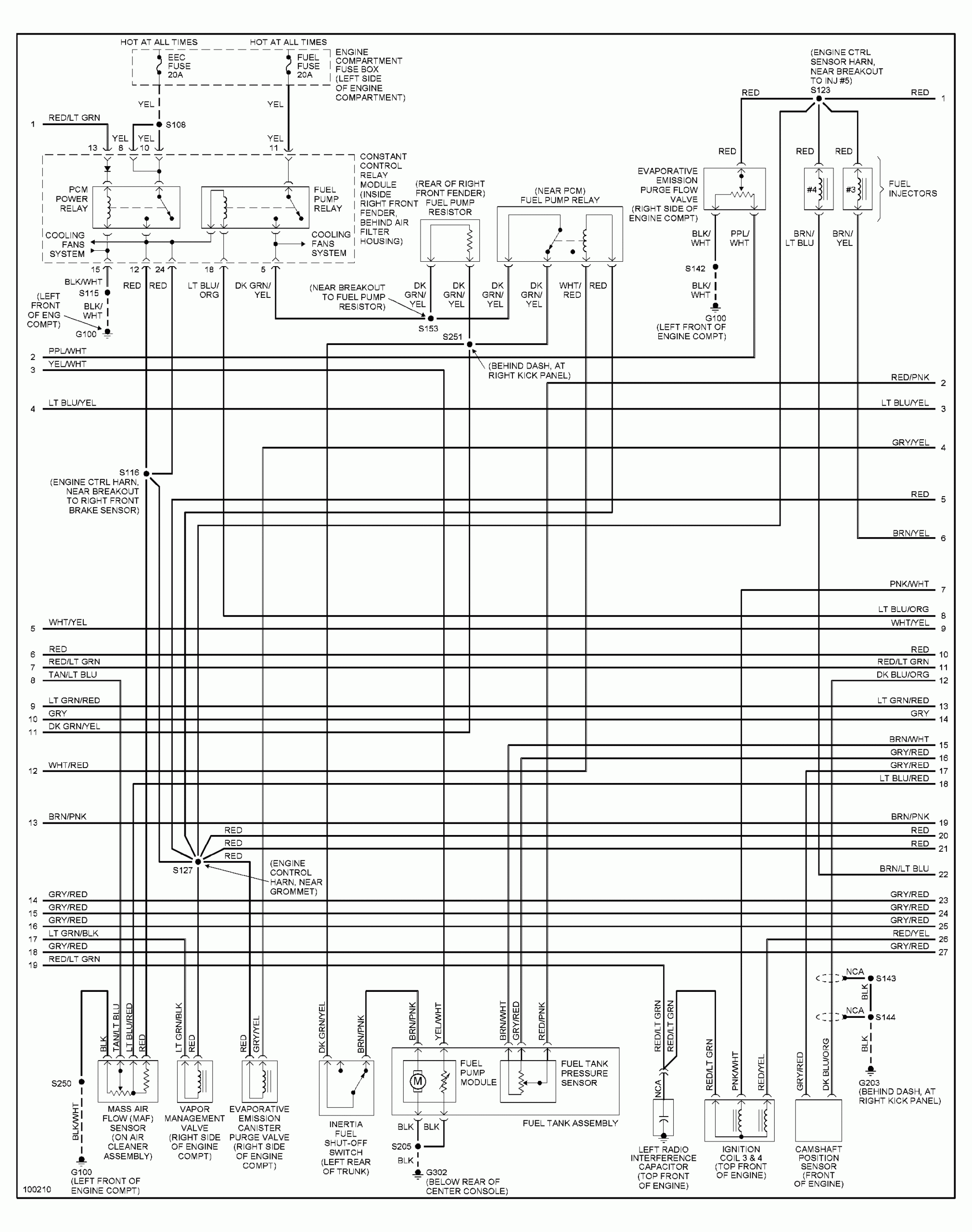
When it comes to working on your Ford Mustang, having a good understanding of the wiring system is crucial. The wiring diagram for your Mustang provides a road map for the electrical system, showing how all the components are connected and powered. Whether you are troubleshooting an electrical issue or planning a modification, having access to a wiring diagram can save you time and frustration.

Whether you have a classic Mustang or a newer model, the wiring diagram will vary depending on the year and trim level of your vehicle. It is important to find the correct diagram that matches your specific Mustang to ensure accuracy in your electrical work. From the ignition system to the lighting circuits, the wiring diagram covers all aspects of the electrical system in your Mustang.

 DIAGRAM 66 Ford Mustang Wiring Diagram Image Details MYDIAGRAM ONLINEDIAGRAM 66 Ford Mustang Wiring Diagram Image Details MYDIAGRAM ONLINE (mydiagram.online)

One key component of the wiring diagram is the color-coding of the wires. Each wire in the diagram is color-coded to help identify its purpose and connection points. Understanding the color-coding can make it easier to trace wires and troubleshoot electrical issues. Additionally, the diagram will often include labels and symbols to indicate different components and connections within the system.

When using a wiring diagram for your Ford Mustang, it is important to follow the diagram carefully and double-check your work before powering on the electrical system. Making a mistake in the wiring can lead to electrical malfunctions or even damage to your vehicle. If you are unsure about a connection or need assistance, it is always best to consult a professional or a trusted automotive technician.

In conclusion, the wiring diagram for your Ford Mustang is a valuable tool for anyone working on the electrical system of their vehicle. By understanding how the components are connected and powered, you can effectively troubleshoot issues and make modifications with confidence. Whether you are a seasoned mechanic or a DIY enthusiast, having access to a wiring diagram can help you keep your Mustang running smoothly and safely.


Download and Print Wiring Diagram Ford Mustang Listed below

 DIAGRAM Wiring Diagram For 2000 Ford Mustang MYDIAGRAM ONLINEDIAGRAM Wiring Diagram For 2000 Ford Mustang MYDIAGRAM ONLINE (mydiagram.online)

Wiring Diagram For 1999 Mustang Gt Wiring DiagramWiring Diagram For 1999 Mustang Gt Wiring Diagram (wiringdiagram.2bitboer.com)

 DIAGRAM Ford Mustang Pats Wiring Diagram Manual MYDIAGRAM ONLINEDIAGRAM Ford Mustang Pats Wiring Diagram Manual MYDIAGRAM ONLINE (mydiagram.online)

1971 Ford Mustang Wiring Diagram1971 Ford Mustang Wiring Diagram (mungfali.com)

1999 Ford Explorer Radio Wiring Diagram Collection Wiring Diagram 1999 Ford Explorer Radio Wiring Diagram Collection Wiring Diagram (www.fordwiringdiagram.com)

Wiring Diagram Ford Mustang

Mastering Wiring Diagram Ford Mustang is more than just a practical ability — it’s a key advantage that can greatly improve the accuracy, security, and performance of any electrical project. Whether you’re a DIY enthusiast working on small home projects or a professional electrician dealing with large-scale systems, the ability to read and interpret wiring diagrams effectively can avoid delays, reduce issues, and improve overall results.

The Wiring Diagram Ford Mustang function as a standard guide in the world of electricity. They clarify complex circuits, give insight during troubleshooting, and support that every connection is made with accuracy and intent. As electrical technology moves forward, having a solid understanding of these diagrams keeps you up to date and able to handle new technologies.

Remember, no matter your background, continuous learning is key. Look into real-world examples, follow industry standards, and don’t hesitate to ask questions when needed.

Thanks for reading Wiring Diagram Ford Mustang. We hope it provided useful knowledge of wiring diagrams and their role. Be sure to check out our other articles to continue learning more in electrical systems and beyond.