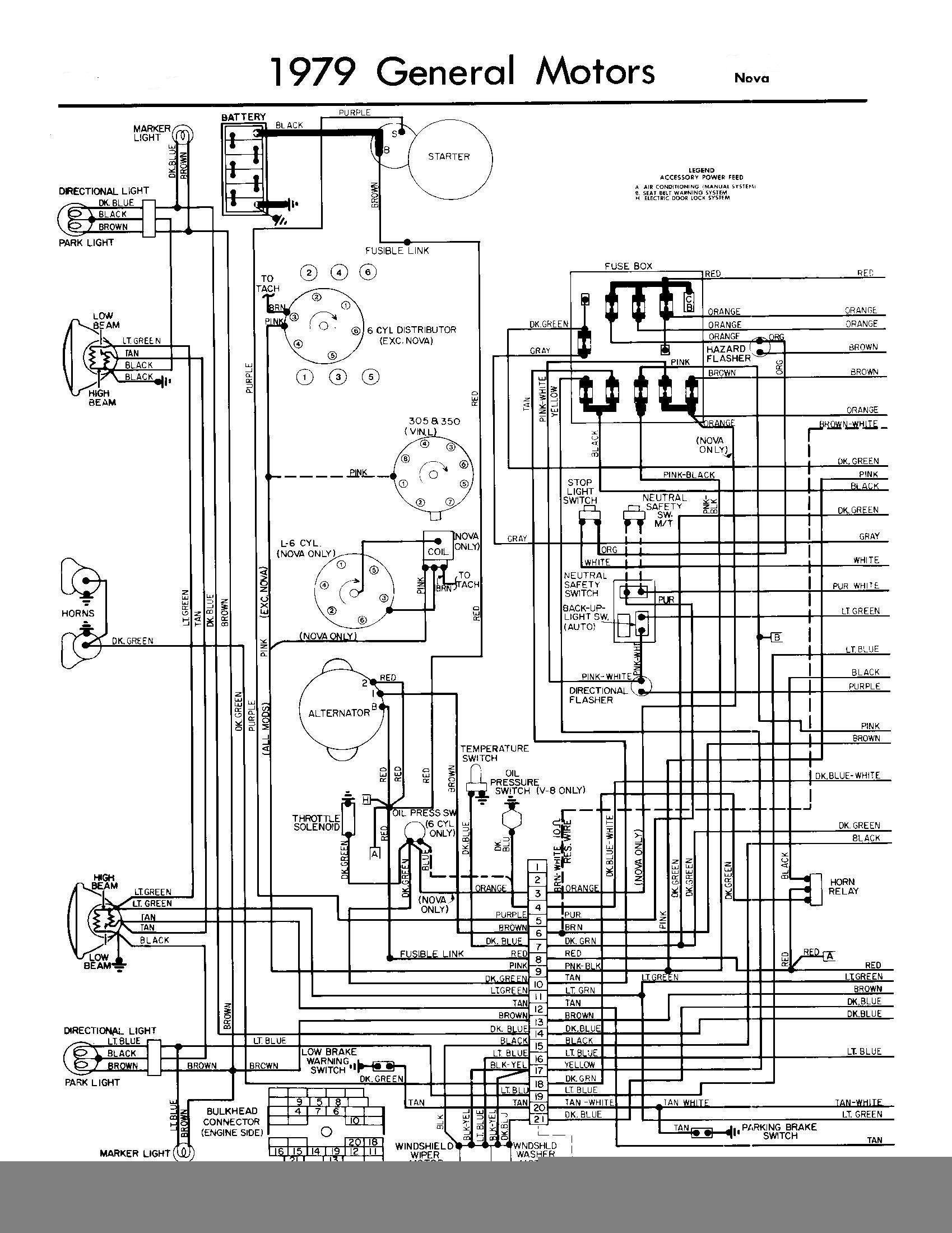
Starter Wiring Diagram

When it comes to the electrical system of a vehicle, the starter plays a crucial role in initiating the engine’s operation. The starter wiring diagram is a visual representation of how the starter is connected to the battery, ignition switch, and other components. Understanding this diagram is essential for troubleshooting any issues related to the starter system.

The starter wiring diagram typically consists of symbols and lines that represent the various electrical connections within the starter circuit. By following the diagram, mechanics and DIY enthusiasts can easily identify the different components and their respective connections, making it easier to diagnose and repair any problems that may arise.

 DIAGRAM 1978 Vw Beetle Starter Wiring Diagram Schematic MYDIAGRAM DIAGRAM 1978 Vw Beetle Starter Wiring Diagram Schematic MYDIAGRAM (mydiagram.online)

Starter Wiring Diagram

One of the key components in the starter wiring diagram is the battery, which provides the necessary power to start the engine. The battery is connected to the starter motor through a thick cable, which delivers the high current needed to turn the engine over. The ignition switch is another important component in the circuit, as it is responsible for activating the starter motor when the key is turned.

In addition to the battery and ignition switch, the starter wiring diagram also includes other components such as the starter solenoid, which acts as a relay between the battery and the starter motor. The solenoid is activated by the ignition switch and directs power to the starter motor, allowing it to crank the engine. Understanding how these components work together is essential for proper troubleshooting and maintenance of the starter system.

It is important to note that the starter wiring diagram may vary depending on the make and model of the vehicle. Therefore, it is crucial to refer to the specific diagram for your vehicle when working on the starter system. By following the diagram carefully and checking each connection, you can ensure that the starter system operates smoothly and efficiently, preventing any potential issues that may arise.

In conclusion, the starter wiring diagram is a valuable tool for understanding the electrical connections within the starter system. By familiarizing yourself with the diagram and the various components involved, you can troubleshoot and repair any starter-related issues effectively. Remember to always consult the appropriate diagram for your vehicle and follow safety precautions when working on the electrical system.


Download and Print Starter Wiring Diagram Listed below

 DIAGRAM 1993 Ford Starter Wiring Diagram Picture MYDIAGRAM ONLINEDIAGRAM 1993 Ford Starter Wiring Diagram Picture MYDIAGRAM ONLINE (mydiagram.online)

1995 Ford F150 Starter Solenoid Wiring Diagram Wiring Diagram Ford 1995 Ford F150 Starter Solenoid Wiring Diagram Wiring Diagram Ford (2020cadillac.com)

Ford F150 Starter Solenoid Wiring DiagramFord F150 Starter Solenoid Wiring Diagram (www.mikrora.com)

Chevy C10 Starter Wiring Diagram Wiring Diagram Sbc Starter Wiring Chevy C10 Starter Wiring Diagram Wiring Diagram Sbc Starter Wiring (2020cadillac.com)

Chevy C10 Starter Wiring Diagram Wiring Diagram Sbc Starter Wiring Chevy C10 Starter Wiring Diagram Wiring Diagram Sbc Starter Wiring (2020cadillac.com)

Starter Wiring Diagram

Understanding Starter Wiring Diagram is more than just a technical skill — it’s a valuable asset that can greatly improve the effectiveness, safety, and outcome of any electrical project. Whether you’re a DIY enthusiast handling DIY installations or a skilled expert dealing with industrial tasks, the ability to understand wiring diagrams effectively can save you time, minimize errors, and deliver better outcomes.

The Starter Wiring Diagram serve as a common framework in the world of electricity. They break down complex circuits, give insight during troubleshooting, and ensure that every connection is made with care and correctness. As electrical technology advances, having a solid understanding of these diagrams keeps you up to date and equipped to handle future challenges.

Keep in mind, no matter your background, continuous learning is key. Take the time to explore real-world examples, follow industry standards, and don’t hesitate to ask questions when needed.

Thanks for reading Starter Wiring Diagram. We hope it provided useful knowledge of wiring diagrams and their importance. Be sure to explore our other articles to continue learning more in electrical systems and beyond.