Solar Array Wiring Diagram

Solar energy is becoming an increasingly popular source of renewable energy for both residential and commercial properties. One key component of a solar energy system is the solar array, which consists of multiple solar panels wired together to generate electricity. Properly wiring the solar array is essential to ensure maximum efficiency and safety.

When designing a solar array wiring diagram, it is important to consider the layout of the solar panels, the type of inverters used, and the overall electrical system of the property. A well-designed wiring diagram will help ensure that the solar array operates efficiently and safely, while also minimizing the risk of electrical hazards.

Solar Wiring Diagram For RvSolar Wiring Diagram For Rv (www.chanish.org)

Solar Array Wiring Diagram

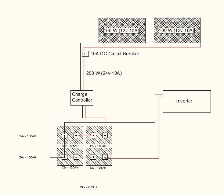
One common method for wiring a solar array is to connect the solar panels in series. In a series connection, the positive terminal of one solar panel is connected to the negative terminal of the next panel, and so on. This increases the voltage output of the array while keeping the current constant. Another option is to wire the panels in parallel, where the positive terminals are connected together and the negative terminals are connected together. This increases the current output of the array while keeping the voltage constant.

It is important to carefully consider the voltage and current ratings of the solar panels when designing the wiring diagram. Connecting panels in series can increase the voltage to levels that may exceed the maximum input voltage of the inverter, while connecting panels in parallel can increase the current to levels that may exceed the maximum input current of the inverter. It is important to ensure that the wiring diagram is compatible with the specifications of the solar panels and inverters being used.

In addition to the layout of the solar panels, the wiring diagram should also include the location of disconnect switches, overcurrent protection devices, and grounding systems. These components are essential for ensuring the safety of the solar array and complying with electrical codes and regulations. Proper labeling of the wiring diagram is also important to facilitate troubleshooting and maintenance of the system in the future.

In conclusion, designing a solar array wiring diagram is a critical step in the installation of a solar energy system. Properly wiring the solar array will help ensure that the system operates efficiently and safely, while also minimizing the risk of electrical hazards. By carefully considering the layout of the solar panels, the type of inverters used, and the overall electrical system of the property, a well-designed wiring diagram can help maximize the benefits of solar energy for both residential and commercial properties.


Download and Print Solar Array Wiring Diagram Listed below

Wiring Diagram For Solar PanelsWiring Diagram For Solar Panels (www.chanish.org)

 DIAGRAM For Solar Panel Array Wiring Diagram MYDIAGRAM ONLINEDIAGRAM For Solar Panel Array Wiring Diagram MYDIAGRAM ONLINE (mydiagram.online)

Pv Array Wiring Diagram Wiring DiagramPv Array Wiring Diagram Wiring Diagram (wiringdiagram.2bitboer.com)

Solar Panel Array Wiring Diagram Wiring Diagram And SchematicSolar Panel Array Wiring Diagram Wiring Diagram And Schematic (wiring.hpricorpcom.com)

Solar Array Wiring Diagram Solar Diagram Wiring Photovoltaic Panels Solar Array Wiring Diagram Solar Diagram Wiring Photovoltaic Panels (www.wiringname.com)

Solar Array Wiring Diagram

Learning Solar Array Wiring Diagram is more than just a technical skill — it’s a valuable asset that can greatly enhance the quality, reliability, and efficiency of any electrical project. Whether you’re a homeowner tackling basic setups or a professional electrician dealing with industrial tasks, the ability to read and interpret wiring diagrams clearly can avoid delays, minimize errors, and improve overall results.

The Solar Array Wiring Diagram act as a common framework in the world of electricity. They simplify complex circuits, offer guidance during troubleshooting, and ensure that every connection is made with accuracy and intent. As electrical technology moves forward, having a solid understanding of these diagrams keeps you ahead of the curve and equipped to handle modern systems.

Don’t forget, no matter your experience level, regular practice is key. Look into real-world examples, follow industry standards, and don’t hesitate to ask questions when needed.

Thanks for reading Solar Array Wiring Diagram. We hope it provided useful knowledge of wiring diagrams and their value. Be sure to check out our other guides to continue learning more in electrical work and beyond.