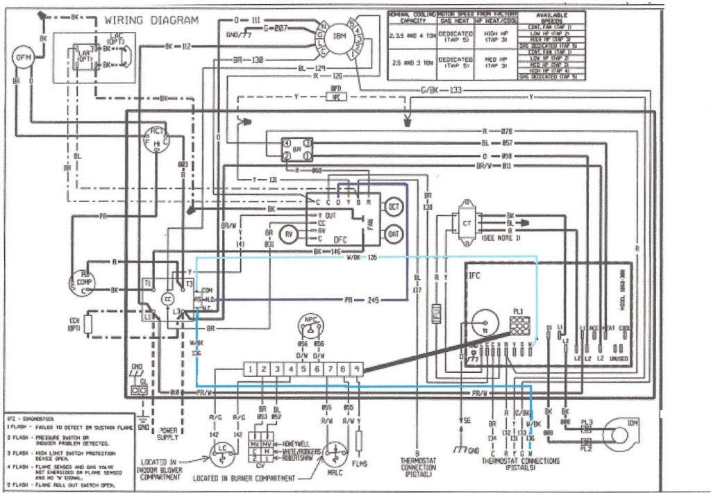
Heat Pump Wiring Diagram

When it comes to installing a heat pump, understanding the wiring diagram is essential. Heat pumps are a great way to efficiently heat and cool your home, but proper wiring is crucial to ensure they work correctly. By following the wiring diagram, you can ensure that your heat pump is installed safely and functions properly.

Before you begin the installation process, it’s important to familiarize yourself with the wiring diagram. This diagram will show you the different components of the heat pump and how they are connected. It will also indicate where each wire should be connected to ensure proper operation.

Carrier Heat Pump Package Unit Wiring Diagram Wiring Diagram And Carrier Heat Pump Package Unit Wiring Diagram Wiring Diagram And (wiring.hpricorpcom.com)

Typically, a heat pump wiring diagram will include information on the thermostat, the compressor, the condenser, and the evaporator. Each of these components plays a crucial role in the operation of the heat pump, and understanding how they are connected is key to a successful installation.

One important thing to note when looking at a heat pump wiring diagram is the color-coding of the wires. Different manufacturers may use different colors for their wiring, so it’s important to double-check that you are connecting the right wires to the right terminals. This will help prevent any potential issues with the operation of your heat pump.

It’s also crucial to follow the manufacturer’s instructions when wiring your heat pump. Each unit may have specific requirements for wiring that must be followed to ensure proper operation. By carefully following the wiring diagram and the manufacturer’s instructions, you can avoid any potential issues and ensure that your heat pump works efficiently.

In conclusion, understanding the heat pump wiring diagram is essential for a successful installation. By familiarizing yourself with the diagram, double-checking wire colors, and following the manufacturer’s instructions, you can ensure that your heat pump is installed safely and functions properly. Proper wiring is key to the efficient operation of your heat pump, so take the time to understand the diagram before beginning the installation process.


Download and Print Heat Pump Wiring Diagram Listed below

Geothermal Heat Pump Wiring Diagram Manual E Books Heatpump Wiring Geothermal Heat Pump Wiring Diagram Manual E Books Heatpump Wiring (annawiringdiagram.com)

Ecobee4 Wiring Diagrams Ecobee Support Heat Pump Wiring Diagram Ecobee4 Wiring Diagrams Ecobee Support Heat Pump Wiring Diagram (2020cadillac.com)

Comfortmaker Heat Pump Wiring DiagramComfortmaker Heat Pump Wiring Diagram (wiringall.com)

York Heat Pump Wiring Diagrams Data Wiring Diagram Schematic Heat York Heat Pump Wiring Diagrams Data Wiring Diagram Schematic Heat (2020cadillac.com)

Heat Pump Wiring Diagram View Wiring Diagrams Thumbs Heat Pump Heat Pump Wiring Diagram View Wiring Diagrams Thumbs Heat Pump (2020cadillac.com)

Heat Pump Wiring Diagram

Learning Heat Pump Wiring Diagram is more than just a technical skill — it’s a valuable asset that can greatly improve the effectiveness, reliability, and performance of any electrical project. Whether you’re a casual user working on small home projects or a skilled expert dealing with industrial tasks, the ability to analyze wiring diagrams clearly can increase productivity, reduce issues, and improve overall results.

The Heat Pump Wiring Diagram act as a common framework in the world of electricity. They clarify complex circuits, provide clarity during troubleshooting, and ensure that every connection is made with care and correctness. As electrical technology continues to evolve, having a solid understanding of these diagrams keeps you up to date and able to handle future challenges.

Remember, no matter your background, continuous learning is key. Take the time to explore real-world examples, stay updated with industry standards, and don’t hesitate to ask questions when needed.

We appreciate your time for read Heat Pump Wiring Diagram. We hope it provided useful knowledge of wiring diagrams and their importance. Be sure to explore our other guides to continue expanding your skills in technical topics and beyond.