4 Wire Oxygen Sensor Wiring Diagram

When it comes to installing a 4 wire oxygen sensor in your vehicle, it is important to understand the wiring diagram to ensure proper functionality. Oxygen sensors play a crucial role in monitoring the oxygen levels in the exhaust gases and providing feedback to the engine control unit for optimal fuel efficiency.

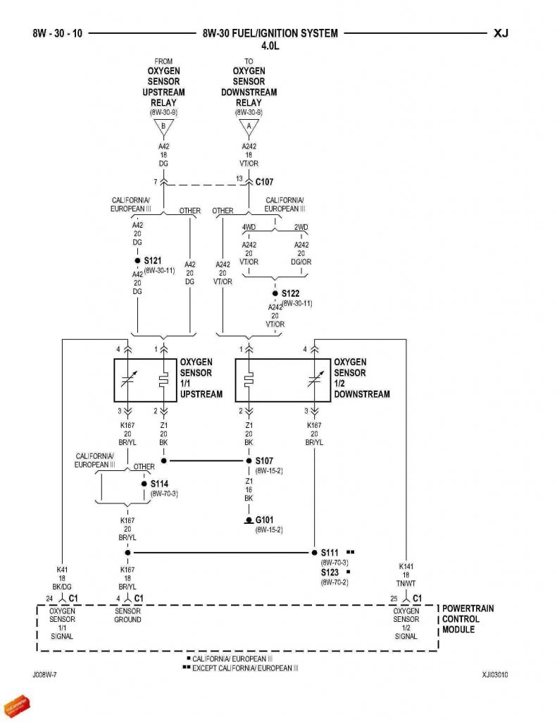
Before diving into the wiring diagram, it is essential to identify the four wires on the oxygen sensor. These wires typically consist of a power wire, a ground wire, a signal wire, and a heater wire. Each wire serves a specific purpose in ensuring the sensor operates correctly and provides accurate readings to the ECU.

4 Wire Oxygen Sensor Wiring Diagram Cadician 39 s Blog4 Wire Oxygen Sensor Wiring Diagram Cadician 39 S Blog (2020cadillac.com)

Looking at the wiring diagram, the power wire is usually connected to a 12V power source, while the ground wire is grounded to the vehicle chassis. The signal wire carries the voltage signal from the sensor to the ECU, which then adjusts the air-fuel mixture based on the feedback received. The heater wire is responsible for heating the sensor to its optimal operating temperature quickly.

It is crucial to follow the wiring diagram provided by the sensor manufacturer or vehicle manufacturer to ensure correct connections. Incorrect wiring can lead to inaccurate readings, poor fuel efficiency, and potential engine damage. If you are unsure about the wiring process, it is recommended to seek professional assistance to avoid any issues.

In summary, understanding the 4 wire oxygen sensor wiring diagram is essential for proper installation and operation. By following the diagram and making the correct connections, you can ensure that your sensor functions optimally and provides accurate feedback to the engine control unit. Proper installation will not only improve fuel efficiency but also prolong the life of your vehicle’s engine.

Ensure you have the right tools and equipment before beginning the installation process, and always refer to the wiring diagram to guide you through the process. With the right knowledge and attention to detail, you can successfully install a 4 wire oxygen sensor in your vehicle and enjoy improved performance and fuel efficiency.


Download and Print 4 Wire Oxygen Sensor Wiring Diagram Listed below

4 Wire Oxygen Sensor Wiring Diagram Database4 Wire Oxygen Sensor Wiring Diagram Database (www.got2bwireless.com)

4 Wire Oxygen Sensor Diagram4 Wire Oxygen Sensor Diagram (www.chanish.org)

4 Wire Oxygen Sensor Wiring Diagram Simplified Guide4 Wire Oxygen Sensor Wiring Diagram Simplified Guide (schempro.com)

4 Wire Oxygen Sensor Wiring Diagram Simplified Guide4 Wire Oxygen Sensor Wiring Diagram Simplified Guide (schempro.com)

4 Wire Oxygen Sensor Wiring Diagram Simplified Guide4 Wire Oxygen Sensor Wiring Diagram Simplified Guide (schempro.com)

4 Wire Oxygen Sensor Wiring Diagram

Mastering 4 Wire Oxygen Sensor Wiring Diagram is more than just a technical skill — it’s a key advantage that can greatly improve the accuracy, security, and efficiency of any electrical project. Whether you’re a casual user working on small home projects or a skilled expert dealing with complex circuits, the ability to analyze wiring diagrams clearly can increase productivity, prevent costly mistakes, and improve overall results.

The 4 Wire Oxygen Sensor Wiring Diagram act as a common framework in the world of electricity. They clarify complex circuits, offer guidance during troubleshooting, and help guarantee that every connection is made with care and correctness. As electrical technology moves forward, having a solid understanding of these diagrams keeps you up to date and able to handle future challenges.

Remember, no matter your skill set, regular practice is key. Look into real-world examples, stay updated with industry standards, and don’t hesitate to ask questions when needed.

Thanks for reading 4 Wire Oxygen Sensor Wiring Diagram. We hope it helped you gain a deeper understanding of wiring diagrams and their role. Be sure to explore our other guides to continue expanding your skills in technical topics and beyond.