4 Channel Amp Wiring Diagram

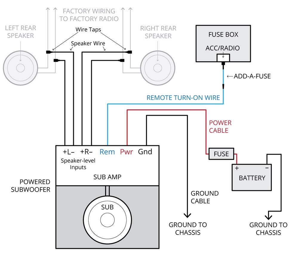
When it comes to upgrading your car audio system, one of the key components to consider is the amplifier. A 4 channel amp is a popular choice for many car owners as it allows for more flexibility in powering multiple speakers. However, wiring a 4 channel amp can be a bit tricky if you’re not familiar with car audio systems. In this article, we’ll discuss the basics of a 4 channel amp wiring diagram to help you get started.

Before diving into the wiring diagram, it’s important to understand the basics of a 4 channel amp. A 4 channel amp is designed to power four speakers – typically two front and two rear speakers. This allows for a more balanced sound output throughout the car. Each channel on the amp is independent, meaning you can adjust the volume and settings for each set of speakers separately.

4 Channel Amp Wiring Diagram Complete Guide Audio Mention4 Channel Amp Wiring Diagram Complete Guide Audio Mention (audiomention.com)

When wiring a 4 channel amp, you’ll need to consider the power and ground connections, as well as the speaker connections. The power and ground wires should be connected directly to the car’s battery to ensure a stable power supply. It’s important to use the appropriate gauge wire to handle the power requirements of the amp.

For the speaker connections, you’ll need to determine which wires go to which speakers. Typically, the front speakers are connected to channels 1 and 2, while the rear speakers are connected to channels 3 and 4. Make sure to double-check the polarity of the speaker wires to ensure they are connected correctly to the amp.

Once you have all the wires connected, it’s important to test the system to ensure everything is working properly. Make sure to adjust the settings on the amp to achieve the desired sound output. It’s also a good idea to secure all the wires and connections to prevent any interference or damage while driving.

In conclusion, wiring a 4 channel amp may seem daunting at first, but with the right knowledge and tools, it can be a manageable task. By following a wiring diagram and paying attention to the details, you can upgrade your car audio system with a 4 channel amp for a more immersive listening experience.


Download and Print 4 Channel Amp Wiring Diagram Listed below

5 Channel Amp Wiring Diagram Wiring Diagram 6 Speakers 4 Channel 5 Channel Amp Wiring Diagram Wiring Diagram 6 Speakers 4 Channel (2020cadillac.com)

4 Channel Amp Wiring Diagram Wiring Diagram Explained Amp Wiring 4 Channel Amp Wiring Diagram Wiring Diagram Explained Amp Wiring (2020cadillac.com)

4 Channel Amp Wiring Diagram Wiring Diagram4 Channel Amp Wiring Diagram Wiring Diagram (annawiringdiagram.com)

4 Channel Amp Wiring Diagram Wiring Diagram4 Channel Amp Wiring Diagram Wiring Diagram (annawiringdiagram.com)

4 Channel Amp Wiring Diagram Wiring Diagram4 Channel Amp Wiring Diagram Wiring Diagram (annawiringdiagram.com)

4 Channel Amp Wiring Diagram

Learning 4 Channel Amp Wiring Diagram is more than just a basic requirement — it’s a key advantage that can greatly enhance the accuracy, security, and performance of any electrical project. Whether you’re a DIY enthusiast working on basic setups or a skilled expert dealing with large-scale systems, the ability to analyze wiring diagrams accurately can avoid delays, minimize errors, and deliver better outcomes.

The 4 Channel Amp Wiring Diagram act as a common framework in the world of electricity. They clarify complex circuits, give insight during troubleshooting, and support that every connection is made with care and correctness. As electrical technology continues to evolve, having a solid understanding of these diagrams keeps you ahead of the curve and able to handle modern systems.

Remember, no matter your experience level, regular practice is key. Take the time to explore real-world examples, follow industry standards, and don’t hesitate to ask questions when needed.

Thank you for taking the time to read this article 4 Channel Amp Wiring Diagram. We hope it helped you gain a deeper understanding of wiring diagrams and their role. Be sure to check out our other resources to continue learning more in technical topics and beyond.