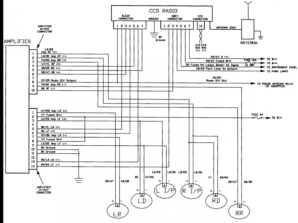
Wiring Diagram For Radio

When it comes to installing a new radio in your car, having a wiring diagram is essential. This diagram provides a visual representation of how the wires should be connected to ensure proper functionality of the radio. Without a wiring diagram, you may end up with a jumble of wires that can be confusing and lead to potential issues down the line.

By following a wiring diagram for your radio installation, you can ensure that the connections are made correctly and that the radio operates as intended. This can help prevent any electrical problems or malfunctions that may arise from improper wiring.

Mitsubishi Outlander Radio Wiring Diagram A Complete GuideMitsubishi Outlander Radio Wiring Diagram A Complete Guide (elecdiags.com)

One of the most common wiring diagrams for a car radio includes color-coded wires that correspond to specific functions such as power, ground, speaker connections, and antenna connections. This makes it easier to identify which wires should be connected to each other, reducing the likelihood of errors during installation.

Before beginning the installation process, it is important to carefully study the wiring diagram for your specific radio model. This will help you understand the layout of the wires and where they need to be connected. It is also recommended to use a wiring harness adapter, which can simplify the installation process by allowing you to connect the radio wires to the adapter rather than directly to the car’s wiring.

Once you have successfully connected all the wires according to the wiring diagram, it is important to test the radio to ensure that it is functioning properly. This includes checking for sound output, radio reception, and any other features that may be included with the radio. If everything is working as expected, you can then secure the radio in place and enjoy your new audio system.

Overall, having a wiring diagram for your radio installation is crucial for a successful and hassle-free process. By following the diagram carefully and double-checking your connections, you can ensure that your new radio functions properly and provides you with the audio experience you desire.


References

Download and Print Wiring Diagram For Radio Listed below

The Complete 2015 Ford Transit Radio Wiring Diagram GuideThe Complete 2015 Ford Transit Radio Wiring Diagram Guide (autoctrls.com)

2014 Ram Radio Wiring Diagram EdenBengals2014 Ram Radio Wiring Diagram EdenBengals (edenbengals.com)

2001 Chevy Malibu Radio Wiring Diagram2001 Chevy Malibu Radio Wiring Diagram (www.chanish.org)

2005 Jeep Grand Cherokee Radio Wiring Diagram Wiring Diagram2005 Jeep Grand Cherokee Radio Wiring Diagram Wiring Diagram (annawiringdiagram.com)

Mitsubishi Radio Wiring DiagramMitsubishi Radio Wiring Diagram (www.tankbig.com)

Wiring Diagram For Radio

Mastering Wiring Diagram For Radio is more than just a basic requirement — it’s a valuable asset that can greatly improve the effectiveness, reliability, and outcome of any electrical project. Whether you’re a DIY enthusiast handling DIY installations or a qualified technician dealing with complex circuits, the ability to understand wiring diagrams clearly can increase productivity, minimize errors, and improve overall results.

The Wiring Diagram For Radio act as a common framework in the world of electricity. They break down complex circuits, offer guidance during troubleshooting, and help guarantee that every connection is made with care and correctness. As electrical technology moves forward, having a solid understanding of these diagrams keeps you up to date and able to handle future challenges.

Don’t forget, no matter your background, ongoing education is key. Study real-world examples, follow industry standards, and don’t hesitate to seek expert advice when needed.

We appreciate your time for read Wiring Diagram For Radio. We hope it helped you gain a deeper understanding of wiring diagrams and their value. Be sure to browse our other articles to continue building your knowledge in technical topics and beyond.