Wiring Diagram For Heat Pump

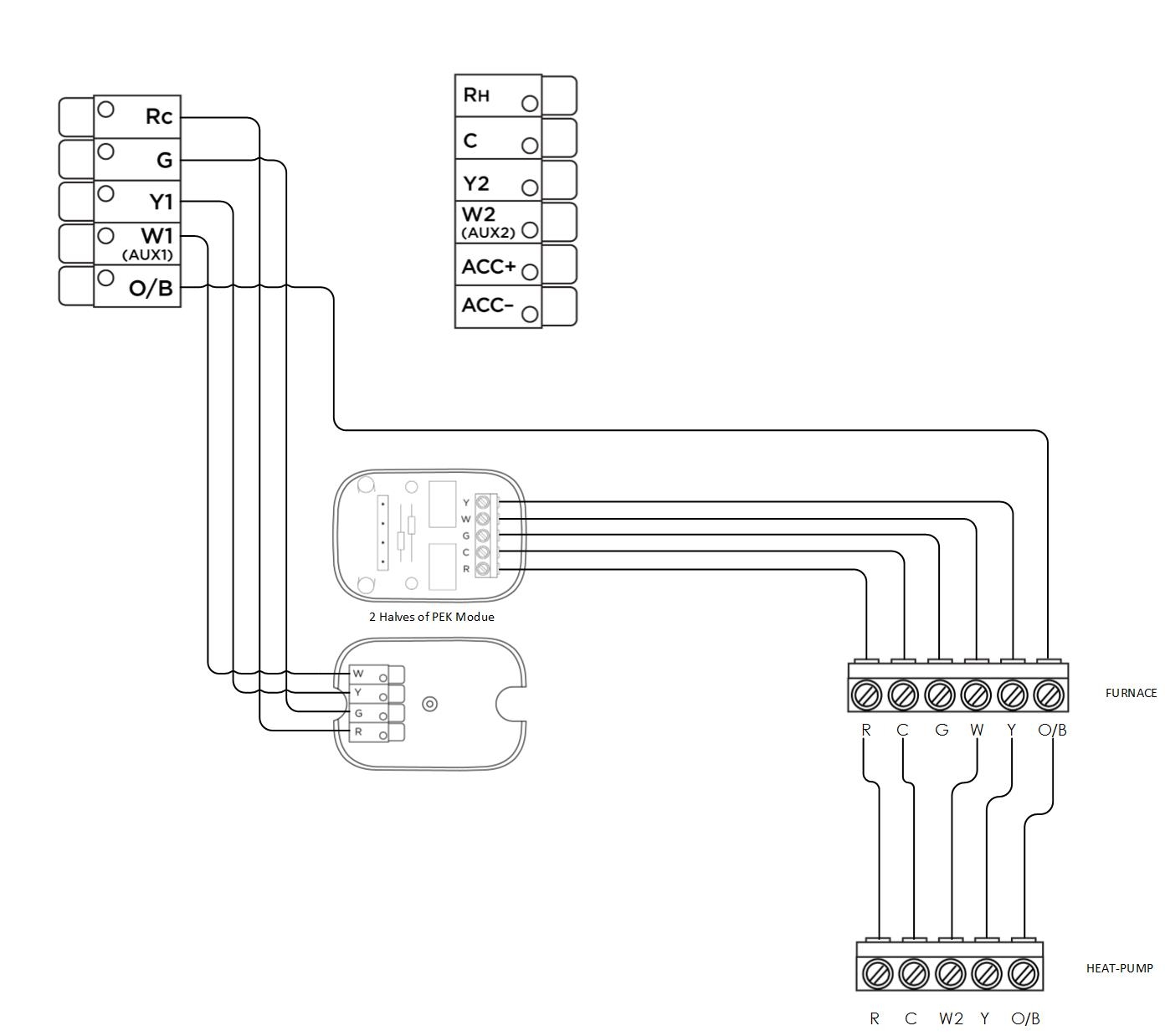
When it comes to installing a heat pump in your home, understanding the wiring diagram is essential. A heat pump is a device that transfers heat from one place to another, providing both heating and cooling functions. The wiring diagram for a heat pump outlines the electrical connections needed to ensure the system functions properly.

Before starting the installation process, it is important to familiarize yourself with the wiring diagram for your specific heat pump model. This will ensure that the connections are made correctly and prevent any potential issues down the line. If you are unsure about the wiring diagram, it is recommended to consult a professional HVAC technician for assistance.

Ecobee3 Wiring Diagram Heat Pump Wiring Diagram And Schematic RoleEcobee3 Wiring Diagram Heat Pump Wiring Diagram And Schematic Role (diagram.tntuservices.com)

Typically, the wiring diagram for a heat pump will include details on how to connect the outdoor unit, indoor unit, thermostat, and any additional components such as backup heating elements or humidifiers. Each wire will be color-coded and labeled to make the installation process as straightforward as possible. It is crucial to follow the diagram carefully to avoid any wiring mistakes that could lead to system malfunctions.

One important aspect of the wiring diagram is understanding the different terminals and connections on the heat pump unit. These terminals will be labeled with letters or numbers that correspond to the wiring diagram, indicating where each wire should be connected. It is important to double-check each connection to ensure they are secure and properly insulated to prevent any electrical hazards.

In addition to the wiring diagram, it is also important to follow any manufacturer instructions or guidelines provided with the heat pump unit. These instructions may include specific wiring configurations or safety precautions that are unique to that particular model. By following these instructions along with the wiring diagram, you can ensure a successful and safe installation of your heat pump.

Overall, understanding the wiring diagram for your heat pump is crucial for a smooth installation process. By following the diagram carefully and consulting with a professional if needed, you can ensure that your heat pump functions properly and efficiently. Remember to prioritize safety and accuracy when making electrical connections to prevent any potential issues in the future.





Wiring Diagram For Heat Pump

Wiring Diagram For Heat Pump

When it comes to installing a heat pump in your home, understanding the wiring diagram is essential. A heat pump is a device that transfers heat from one place to another, providing both heating and cooling functions. The wiring diagram for a heat pump outlines the electrical connections needed to ensure the system functions properly.

Before starting the installation process, it is important to familiarize yourself with the wiring diagram for your specific heat pump model. This will ensure that the connections are made correctly and prevent any potential issues down the line. If you are unsure about the wiring diagram, it is recommended to consult a professional HVAC technician for assistance.

Typically, the wiring diagram for a heat pump will include details on how to connect the outdoor unit, indoor unit, thermostat, and any additional components such as backup heating elements or humidifiers. Each wire will be color-coded and labeled to make the installation process as straightforward as possible. It is crucial to follow the diagram carefully to avoid any wiring mistakes that could lead to system malfunctions.

One important aspect of the wiring diagram is understanding the different terminals and connections on the heat pump unit. These terminals will be labeled with letters or numbers that correspond to the wiring diagram, indicating where each wire should be connected. It is important to double-check each connection to ensure they are secure and properly insulated to prevent any electrical hazards.

In addition to the wiring diagram, it is also important to follow any manufacturer instructions or guidelines provided with the heat pump unit. These instructions may include specific wiring configurations or safety precautions that are unique to that particular model. By following these instructions along with the wiring diagram, you can ensure a successful and safe installation of your heat pump.

Overall, understanding the wiring diagram for your heat pump is crucial for a smooth installation process. By following the diagram carefully and consulting with a professional if needed, you can ensure that your heat pump functions properly and efficiently. Remember to prioritize safety and accuracy when making electrical connections to prevent any potential issues in the future.


Download and Print Wiring Diagram For Heat Pump Listed below

Ladder Wiring Diagram For Daikin Heat PumpLadder Wiring Diagram For Daikin Heat Pump (wiringall.com)

Ecobee4 Wiring Diagrams Ecobee Support Heat Pump Wiring Diagram Ecobee4 Wiring Diagrams Ecobee Support Heat Pump Wiring Diagram (2020cadillac.com)

York Heat Pump Wiring Diagrams Data Wiring Diagram Schematic Heat York Heat Pump Wiring Diagrams Data Wiring Diagram Schematic Heat (2020cadillac.com)

Heat Pump Wiring Diagram View Wiring Diagrams Thumbs Heat Pump Heat Pump Wiring Diagram View Wiring Diagrams Thumbs Heat Pump (2020cadillac.com)

Ruud Heat Pump Wiring Diagram Wiring Diagrams Heat Pump Wiring Ruud Heat Pump Wiring Diagram Wiring Diagrams Heat Pump Wiring (2020cadillac.com)

Wiring Diagram For Heat Pump

Mastering Wiring Diagram For Heat Pump is more than just a basic requirement — it’s a powerful tool that can greatly improve the quality, security, and outcome of any electrical project. Whether you’re a homeowner tackling DIY installations or a professional electrician dealing with industrial tasks, the ability to read and interpret wiring diagrams accurately can increase productivity, prevent costly mistakes, and improve overall results.

The Wiring Diagram For Heat Pump function as a common framework in the world of electricity. They simplify complex circuits, provide clarity during troubleshooting, and ensure that every connection is made with care and correctness. As electrical technology moves forward, having a solid understanding of these diagrams keeps you ahead of the curve and ready to handle modern systems.

Keep in mind, no matter your experience level, regular practice is key. Take the time to explore real-world examples, stay updated with industry standards, and don’t hesitate to ask questions when needed.

We appreciate your time for read Wiring Diagram For Heat Pump. We hope it provided useful knowledge of wiring diagrams and their importance. Be sure to explore our other articles to continue expanding your skills in electrical work and beyond.