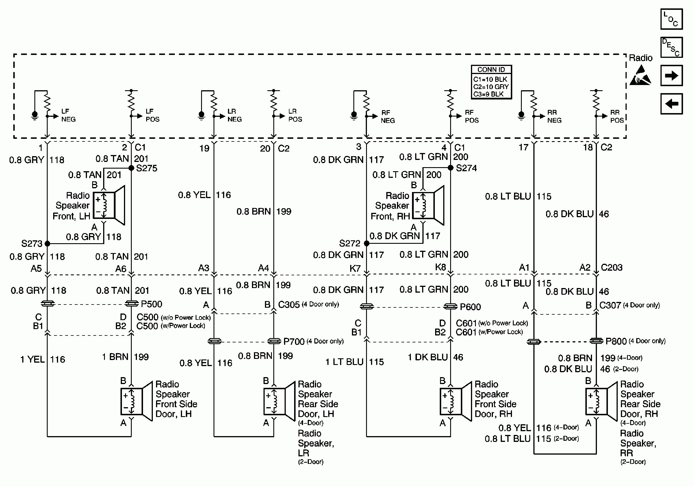
The 2000 Chevrolet Cavalier is a popular compact car known for its reliability and affordability. When it comes to working on the electrical system of your Cavalier, having a wiring diagram can make the task much easier. This diagram shows the layout of the various wires and their connections, helping you to troubleshoot any issues that may arise.
Whether you are a seasoned mechanic or a DIY enthusiast, having access to a wiring diagram for your 2000 Chevrolet Cavalier is essential. It can help you identify which wires are responsible for specific components, such as the headlights, tail lights, or ignition system. With this information, you can quickly pinpoint any faults and make the necessary repairs.
Everything You Need To Know About The Chevy 7 Pin Wiring Diagram (schempal.com)
When looking at the wiring diagram for the 2000 Chevrolet Cavalier, you will notice that the diagram is divided into sections based on the different systems in the car. This includes the lighting system, engine control system, and power distribution system. Each section is labeled with color-coded wires to make it easier to follow the wiring throughout the vehicle.
One important thing to keep in mind when using a wiring diagram is to ensure that you are working with the correct year and model of your Chevrolet Cavalier. The wiring diagrams can vary between different years and trim levels, so it is crucial to have the right information to avoid any confusion or mistakes during the repair process.
Overall, having a wiring diagram for your 2000 Chevrolet Cavalier can be a valuable tool when working on the electrical system of your vehicle. It can save you time and frustration by providing a clear visual guide to the wiring layout and connections. Whether you are replacing a faulty component or upgrading your car’s electrical system, a wiring diagram is an essential resource to have on hand.
Next time you find yourself tackling an electrical issue in your 2000 Chevrolet Cavalier, be sure to refer to the wiring diagram to help you navigate the complex network of wires and connections. With the right information at your fingertips, you can confidently tackle any electrical problem that comes your way.