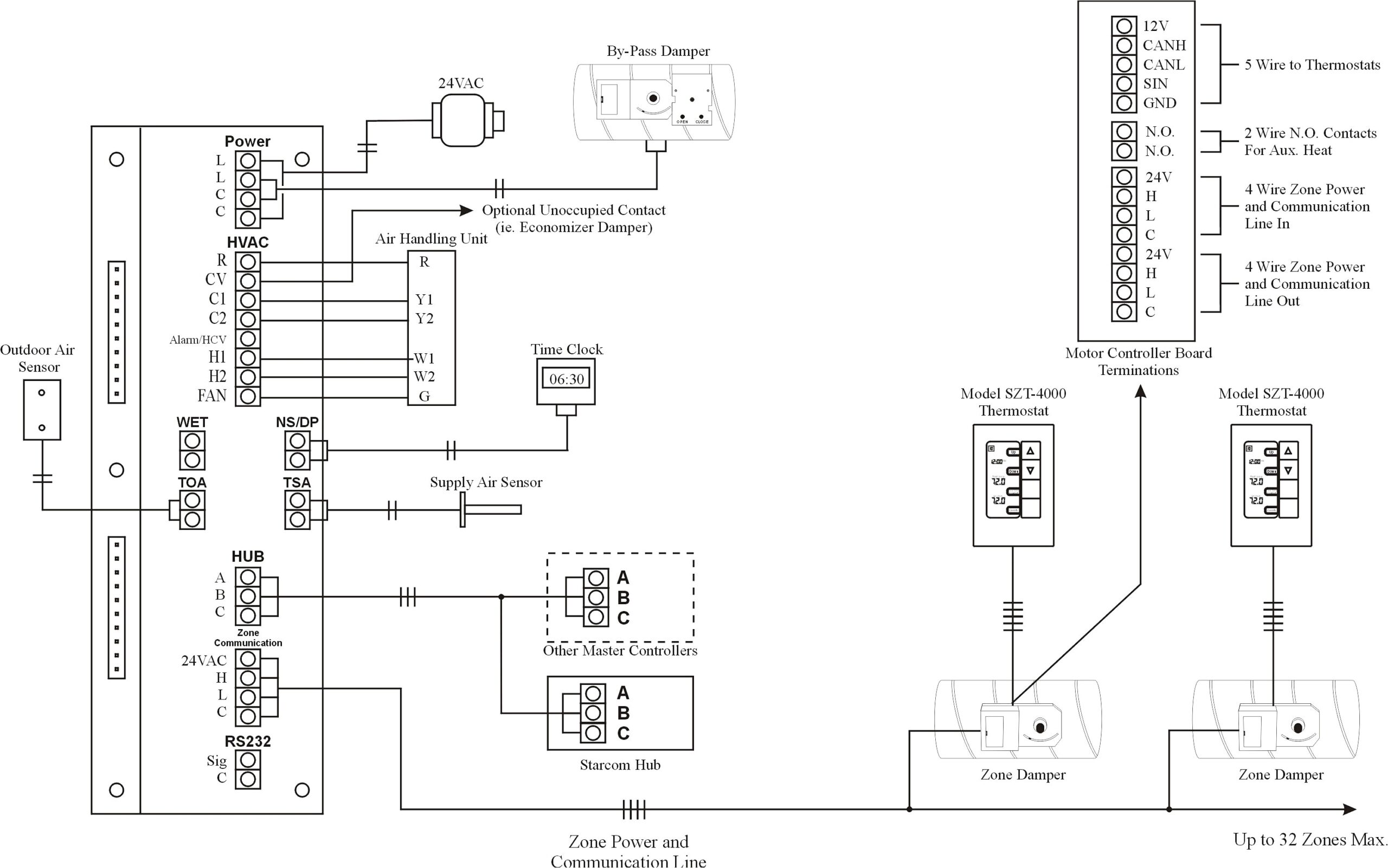
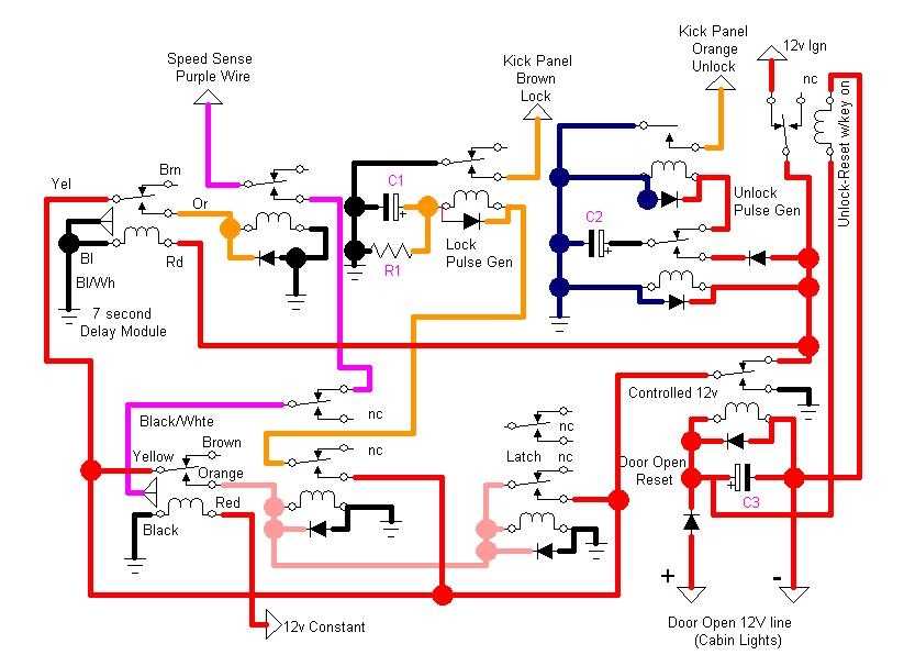
Vehicle Wiring Diagrams

Vehicle wiring diagrams are essential tools for anyone working on their own vehicle or for professional mechanics. These diagrams provide detailed information on the electrical system of a vehicle, including the wiring connections and components involved. By referring to a wiring diagram, you can easily troubleshoot electrical issues, identify faulty components, and make necessary repairs.

Whether you are dealing with a simple lighting issue or a complex engine wiring problem, having access to accurate wiring diagrams can save you time and money. It allows you to pinpoint the exact location of a problem and avoid unnecessary guesswork. With the help of a wiring diagram, you can confidently tackle any electrical repair or installation task.

Understanding Schematic Wiring DiagramsUnderstanding Schematic Wiring Diagrams (wirelealarmcreditable.z21.web.core.windo…)

Benefits of Vehicle Wiring Diagrams

One of the main benefits of using vehicle wiring diagrams is that they provide a visual representation of the vehicle’s electrical system. This makes it easier to understand how different components are connected and how they interact with each other. By following the wiring diagram, you can ensure that all connections are made correctly and avoid causing further damage to the electrical system.

Another advantage of wiring diagrams is that they help you identify the correct wire colors and terminal locations. This is particularly useful when installing aftermarket accessories or upgrading your vehicle’s electrical system. With a wiring diagram in hand, you can confidently make modifications without risking damage to the vehicle’s wiring.

Furthermore, vehicle wiring diagrams are essential for diagnosing complex electrical issues. They provide a roadmap for tracing circuits, locating fuses, and testing components for continuity. By following the steps outlined in the wiring diagram, you can efficiently troubleshoot problems and find the root cause of an electrical malfunction.

In conclusion, vehicle wiring diagrams are indispensable tools for anyone working on automotive electrical systems. Whether you are a DIY enthusiast or a professional mechanic, having access to accurate wiring diagrams can make your job easier and more efficient. By understanding how to read and interpret wiring diagrams, you can confidently tackle any electrical issue that comes your way.


Download and Print Vehicle Wiring Diagrams Listed below

Bulldog Security Wiring Diagrams For Your NeedsBulldog Security Wiring Diagrams For Your Needs (www.got2bwireless.com)

Free Wiring Diagrams For CarsFree Wiring Diagrams For Cars (www.tankbig.com)

Vehicle Wiring Diagrams SoftwareVehicle Wiring Diagrams Software (schematiccambiarismn.z22.web.core.window…)

Free Vehicle Wiring DiagramsFree Vehicle Wiring Diagrams (wiringkayla0640z478t.z21.web.core.window…)

Vehicle Wiring Diagrams OnlineVehicle Wiring Diagrams Online (wiringdiagraminterwind.z14.web.core.wind…)

Vehicle Wiring Diagrams

Learning Vehicle Wiring Diagrams is more than just a technical skill — it’s a key advantage that can greatly boost the quality, security, and performance of any electrical project. Whether you’re a homeowner handling basic setups or a skilled expert dealing with large-scale systems, the ability to understand wiring diagrams clearly can avoid delays, minimize errors, and improve overall results.

The Vehicle Wiring Diagrams function as a common framework in the world of electricity. They clarify complex circuits, offer guidance during troubleshooting, and ensure that every connection is made with accuracy and intent. As electrical technology advances, having a solid understanding of these diagrams keeps you ahead of the curve and equipped to handle modern systems.

Keep in mind, no matter your background, continuous learning is key. Look into real-world examples, keep up with industry standards, and don’t hesitate to seek expert advice when needed.

We appreciate your time for read Vehicle Wiring Diagrams. We hope it provided useful knowledge of wiring diagrams and their importance. Be sure to explore our other guides to continue learning more in technical topics and beyond.