Trailer Brake Wiring Diagram

When it comes to towing a trailer, having a properly functioning brake system is crucial for safety on the road. One key component of the brake system is the wiring that connects the trailer brakes to the towing vehicle. Understanding how to wire your trailer brakes correctly can ensure that they work effectively when you need them most.

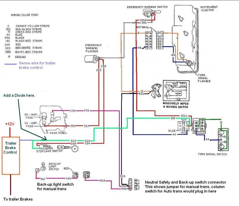
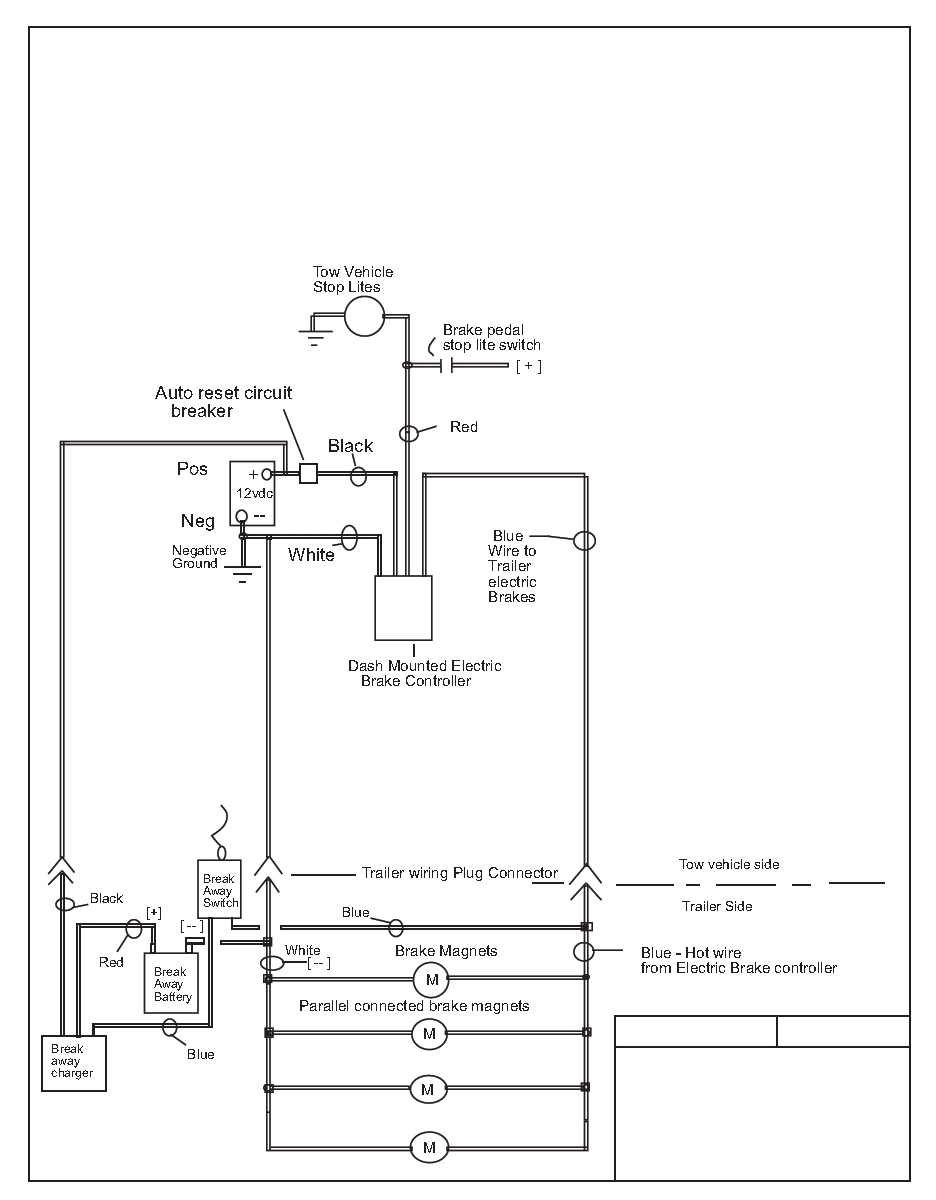
Trailer brake wiring diagrams are essential for anyone looking to install or troubleshoot their trailer brake system. These diagrams provide a visual representation of how the wiring should be connected, making it easier to follow and ensure that everything is set up correctly.

2002 F250 Trailer Brake Controller Wiring Diagram Wiring Diagram2002 F250 Trailer Brake Controller Wiring Diagram Wiring Diagram (www.autowiringdiagram.net)

When looking at a trailer brake wiring diagram, you will typically see various components such as the brake controller, brake lights, and the wiring harness. Each component plays a crucial role in the overall functionality of the brake system, so it is important to understand how they all work together.

One common wiring setup is the 7-way RV blade connector, which is commonly used for trailers with electric brakes. This type of connector allows for easy connection between the towing vehicle and the trailer, ensuring that the brakes are activated when needed.

It is important to follow the wiring diagram closely and make sure that all connections are secure and properly insulated. Any loose or exposed wires can lead to malfunctions in the brake system, putting you and others on the road at risk. Regularly inspecting and maintaining your trailer brake wiring can help prevent accidents and ensure a safe towing experience.

In conclusion, understanding the trailer brake wiring diagram is essential for anyone looking to tow a trailer safely. By following the diagram and ensuring that all connections are secure, you can ensure that your trailer brakes work effectively when you need them. Regular maintenance and inspection of the wiring can help prevent accidents and keep you safe on the road.


Download and Print Trailer Brake Wiring Diagram Listed below

Ford F 250 Trailer Plug Wiring Diagram 7 Pin Wiring Diagrams Hubs Ford F 250 Trailer Plug Wiring Diagram 7 Pin Wiring Diagrams Hubs (2020cadillac.com)

Ford Trailer Brake Controller Wiring Diagram Wiring DiagramFord Trailer Brake Controller Wiring Diagram Wiring Diagram (www.autowiringdiagram.net)

Tandem Trailer Brake Wiring Diagram Wiring DiagramTandem Trailer Brake Wiring Diagram Wiring Diagram (www.autowiringdiagram.net)

Travel Trailer Brake Wiring DiagramTravel Trailer Brake Wiring Diagram (stewart-switch.com)

Tekonsha P3 Prodigy Caravan Trailer Electric Brake Controller Bonus Tekonsha P3 Prodigy Caravan Trailer Electric Brake Controller Bonus (annawiringdiagram.com)

Trailer Brake Wiring Diagram

Understanding Trailer Brake Wiring Diagram is more than just a practical ability — it’s a key advantage that can greatly enhance the quality, safety, and performance of any electrical project. Whether you’re a DIY enthusiast tackling small home projects or a qualified technician dealing with complex circuits, the ability to analyze wiring diagrams accurately can save you time, prevent costly mistakes, and improve overall results.

The Trailer Brake Wiring Diagram act as a standard guide in the world of electricity. They break down complex circuits, provide clarity during troubleshooting, and help guarantee that every connection is made with care and correctness. As electrical technology moves forward, having a solid understanding of these diagrams keeps you prepared for change and ready to handle new technologies.

Remember, no matter your skill set, ongoing education is key. Look into real-world examples, follow industry standards, and don’t hesitate to get help when needed.

We appreciate your time for read Trailer Brake Wiring Diagram. We hope it helped you gain a deeper understanding of wiring diagrams and their value. Be sure to explore our other guides to continue building your knowledge in technical topics and beyond.