Starter Motor Wiring Diagram

When it comes to understanding the electrical system of a vehicle, the starter motor wiring diagram is an essential component to grasp. The starter motor is responsible for initiating the engine’s operation by cranking it to start. Without a properly functioning starter motor, the vehicle will not be able to start, making it a crucial part of the overall system.

Having a good understanding of the wiring diagram for the starter motor can help in diagnosing any issues that may arise with the starting system. It provides a visual representation of how the various components are connected and powered, making it easier to identify any potential faults or discrepancies.

Starter Wiring Diagram Motorcycle Easy WiringStarter Wiring Diagram Motorcycle Easy Wiring (easywiring.info)

Starter Motor Wiring Diagram

The starter motor wiring diagram typically consists of various components such as the battery, ignition switch, starter solenoid, and starter motor itself. The diagram illustrates how these components are interconnected and how the electrical current flows through them to initiate the engine start-up process.

One of the key aspects of the wiring diagram is understanding the role of each component and how they work together to start the engine. The battery provides the initial power source, while the ignition switch activates the starter solenoid, which in turn engages the starter motor to crank the engine.

It is important to follow the wiring diagram carefully when troubleshooting any issues with the starter motor. By tracing the electrical connections and checking for any loose or damaged wires, it is possible to identify and rectify any problems that may be preventing the starter motor from functioning properly.

In conclusion, the starter motor wiring diagram is a valuable tool for understanding the electrical system of a vehicle and diagnosing any issues related to the starting system. By familiarizing yourself with the components and connections outlined in the diagram, you can effectively troubleshoot and resolve any problems that may arise with the starter motor. Proper maintenance and periodic checks of the starter motor wiring can help ensure smooth engine start-ups and overall vehicle performance.

Download and Print Starter Motor Wiring Diagram Listed below

Chevy C10 Starter Wiring Diagram Wiring Diagram Sbc Starter Wiring Chevy C10 Starter Wiring Diagram Wiring Diagram Sbc Starter Wiring (2020cadillac.com)

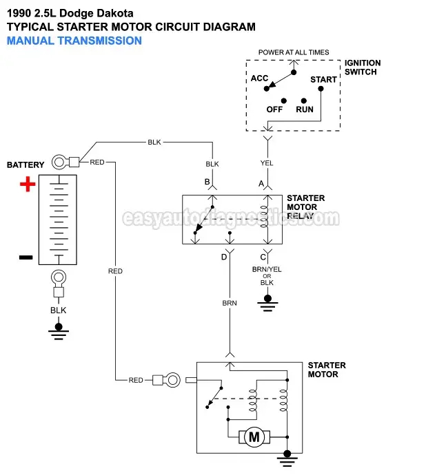
Starter Motor Wiring Diagram 1990 1993 2 5L SOHC Dodge Dakota Starter Motor Wiring Diagram 1990 1993 2 5L SOHC Dodge Dakota (easyautodiagnostics.com)

Understanding The Basics Starter Motor Wiring Diagram ExplainedUnderstanding The Basics Starter Motor Wiring Diagram Explained (autoctrls.com)

Understanding The Basics Starter Motor Wiring Diagram ExplainedUnderstanding The Basics Starter Motor Wiring Diagram Explained (autoctrls.com)

Cat Starter Motor Wiring Diagram Wiring DiagramCat Starter Motor Wiring Diagram Wiring Diagram (www.autowiringdiagram.net)

Starter Motor Wiring Diagram

Mastering Starter Motor Wiring Diagram is more than just a technical skill — it’s a valuable asset that can greatly enhance the effectiveness, safety, and performance of any electrical project. Whether you’re a DIY enthusiast tackling DIY installations or a skilled expert dealing with industrial tasks, the ability to analyze wiring diagrams clearly can increase productivity, prevent costly mistakes, and improve overall results.

The Starter Motor Wiring Diagram function as a standard guide in the world of electricity. They clarify complex circuits, offer guidance during troubleshooting, and help guarantee that every connection is made with purpose and precision. As electrical technology continues to evolve, having a solid understanding of these diagrams keeps you prepared for change and ready to handle new technologies.

Don’t forget, no matter your skill set, ongoing education is key. Study real-world examples, stay updated with industry standards, and don’t hesitate to seek expert advice when needed.

Thank you for taking the time to read this article Starter Motor Wiring Diagram. We hope it gave you insight of wiring diagrams and their value. Be sure to explore our other resources to continue building your knowledge in electrical work and beyond.