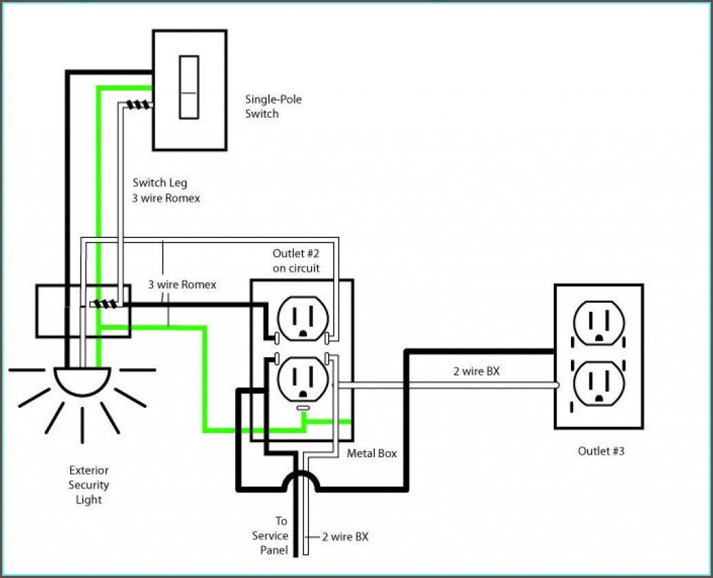
House Wiring Diagrams

House wiring diagrams are essential for understanding the electrical systems in your home. These diagrams provide a visual representation of how the electrical wires are connected and where they go, helping homeowners and electricians troubleshoot problems and make repairs.

Whether you are building a new home or renovating an existing one, having access to accurate house wiring diagrams is crucial. These diagrams can help ensure that the electrical work is done safely and up to code, preventing potential hazards and ensuring that your home’s electrical system functions properly.

Electrical Wiring Diagram House Wiring Electrical House Diagram Outlets Electrical Wiring Diagram House Wiring Electrical House Diagram Outlets (www.wiringname.com)

When looking at a house wiring diagram, you will typically see lines representing electrical wires, with symbols indicating switches, outlets, and other electrical devices. The diagram will show how these components are connected, allowing you to follow the flow of electricity throughout your home’s electrical system.

It’s important to note that house wiring diagrams can vary depending on the age and layout of your home. Older homes may have different wiring configurations than newer ones, so it’s essential to consult the appropriate diagram for your specific situation. If you are unsure about the wiring in your home, it’s always best to consult a professional electrician for guidance.

In addition to helping with troubleshooting and repairs, house wiring diagrams can also be useful for planning new electrical installations. By using a diagram, you can map out where you want to install new outlets, switches, or lighting fixtures, ensuring that they are properly connected to the existing electrical system.

Overall, house wiring diagrams are a valuable tool for homeowners and electricians alike. By understanding how electricity flows through your home and being able to interpret these diagrams, you can ensure that your electrical system is safe, efficient, and up to code.


Download and Print House Wiring Diagrams Listed below

Circuit Diagram House Wiring 110 Simple House WiringCircuit Diagram House Wiring 110 Simple House Wiring (ecircuitdiagrams.blogspot.com)

Diy Wiring A House Wiring Diagrams Hubs Residential Wiring Diagram Diy Wiring A House Wiring Diagrams Hubs Residential Wiring Diagram (2020cadillac.com)

Unveiling The Secrets Unraveling Old House Electrical Wiring DiagramsUnveiling The Secrets Unraveling Old House Electrical Wiring Diagrams (electraschematics.com)

Simple House Wiring Diagram Exles InfoupdateSimple House Wiring Diagram Exles Infoupdate (infoupdate.org)

Understanding The Basics Of House Wiring Diagrams And ExamplesUnderstanding The Basics Of House Wiring Diagrams And Examples (pulseplots.com)

House Wiring Diagrams

Understanding House Wiring Diagrams is more than just a practical ability — it’s a powerful tool that can greatly boost the effectiveness, reliability, and performance of any electrical project. Whether you’re a DIY enthusiast handling small home projects or a professional electrician dealing with complex circuits, the ability to analyze wiring diagrams effectively can increase productivity, minimize errors, and ensure success.

The House Wiring Diagrams function as a standard guide in the world of electricity. They simplify complex circuits, provide clarity during troubleshooting, and support that every connection is made with purpose and precision. As electrical technology continues to evolve, having a solid understanding of these diagrams keeps you prepared for change and equipped to handle new technologies.

Remember, no matter your skill set, continuous learning is key. Look into real-world examples, follow industry standards, and don’t hesitate to seek expert advice when needed.

Thank you for taking the time to read this article House Wiring Diagrams. We hope it helped you gain a deeper understanding of wiring diagrams and their role. Be sure to browse our other articles to continue learning more in electrical work and beyond.