House Wiring Diagram

Typical House Wiring Diagram Schema Wiring Diagram Home Wiring Typical House Wiring Diagram Schema Wiring Diagram Home Wiring (2020cadillac.com)




House Wiring Diagram

House Wiring Diagram

House wiring is an essential component of any residential building. It provides the necessary electrical connections to power appliances, lights, and other devices in the home. A proper wiring diagram is crucial for ensuring safety and efficiency in the electrical system of a house.

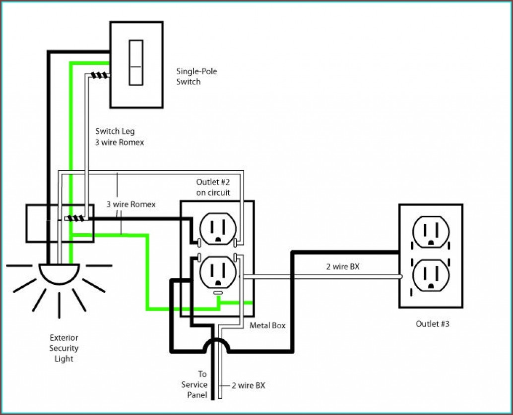
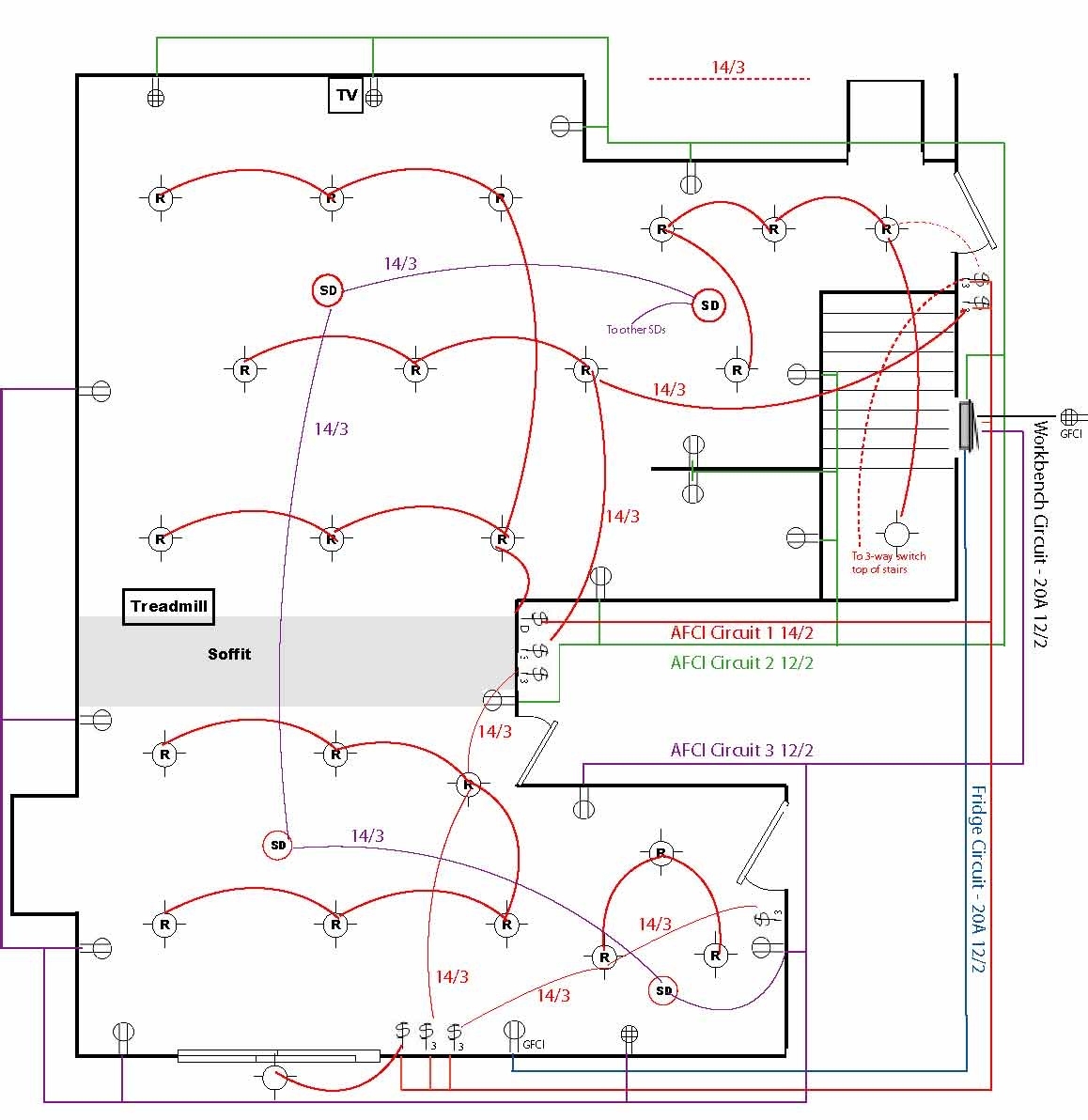
A house wiring diagram is a visual representation of the electrical connections in a home. It shows the layout of wires, outlets, switches, and other components of the electrical system. This diagram is used by electricians and homeowners to understand how electricity flows through the house and to troubleshoot any issues that may arise.

The diagram typically includes labels for each component, indicating the type of wire used, the voltage rating, and the purpose of each connection. It also shows the location of circuit breakers, fuse boxes, and other safety devices. By following the wiring diagram, electricians can ensure that the electrical system meets building codes and is safe for use.

When creating a house wiring diagram, it is important to consider the specific needs of the home and the appliances that will be powered. Different rooms may require different types of wiring, depending on the electrical load and the layout of the space. It is also important to plan for future expansion and to leave room for additional circuits if needed.

In conclusion, a house wiring diagram is a crucial tool for ensuring the safety and efficiency of the electrical system in a home. By following the diagram and adhering to building codes, homeowners can ensure that their electrical system is up to standard and can avoid the risks of electrical fires and other hazards. It is always recommended to consult with a professional electrician when designing or modifying a house wiring diagram.


Download and Print House Wiring Diagram Listed below

Electrical Wiring Diagram House Wiring Electrical House Diagram Outlets Electrical Wiring Diagram House Wiring Electrical House Diagram Outlets (www.wiringname.com)

Simple House Wiring Diagram Examples Wiring DiagramSimple House Wiring Diagram Examples Wiring Diagram (annawiringdiagram.com)

House Wiring Diagram Layout Wiring Digital And SchematicHouse Wiring Diagram Layout Wiring Digital And Schematic (www.wiringdigital.com)

Basic House Wiring Diagram Wiring DiagramBasic House Wiring Diagram Wiring Diagram (annawiringdiagram.com)

Simple House Wiring Diagram Exles InfoupdateSimple House Wiring Diagram Exles Infoupdate (infoupdate.org)

House Wiring Diagram

Mastering House Wiring Diagram is more than just a technical skill — it’s a key advantage that can greatly boost the effectiveness, safety, and performance of any electrical project. Whether you’re a DIY enthusiast handling DIY installations or a skilled expert dealing with large-scale systems, the ability to understand wiring diagrams effectively can increase productivity, reduce issues, and deliver better outcomes.

The House Wiring Diagram function as a universal language in the world of electricity. They break down complex circuits, provide clarity during troubleshooting, and support that every connection is made with purpose and precision. As electrical technology advances, having a solid understanding of these diagrams keeps you up to date and ready to handle new technologies.

Don’t forget, no matter your background, regular practice is key. Study real-world examples, stay updated with industry standards, and don’t hesitate to seek expert advice when needed.

We appreciate your time for read House Wiring Diagram. We hope it gave you insight of wiring diagrams and their role. Be sure to browse our other guides to continue building your knowledge in technical topics and beyond.