Home Electrical Wiring Diagrams

When it comes to home electrical wiring, having a clear understanding of the layout and connections is crucial for safety and efficiency. Electrical wiring diagrams provide a visual representation of the electrical system in your home, showing how all the components are connected and where the power flows. These diagrams are essential for troubleshooting issues, planning upgrades, or simply understanding how your home’s electrical system works.

Whether you’re a homeowner looking to do some DIY electrical work or a professional electrician, having access to accurate electrical wiring diagrams can make your job much easier. These diagrams help you identify the various components in your electrical system, such as outlets, switches, lights, and appliances, and how they are connected to the main power source.

 Wiring Diagrams Home Black And White PersonalsWiring Diagrams Home Black And White Personals (blackandwhitepersonals.blogspot.com)

One of the most common types of home electrical wiring diagrams is the single-line diagram, which shows the electrical connections in a simplified format. This type of diagram is easy to read and provides a quick overview of the electrical system in your home. However, more detailed diagrams, such as wiring schematics or circuit diagrams, may be necessary for complex systems or troubleshooting specific issues.

When working with home electrical wiring diagrams, it’s important to follow safety guidelines and local building codes to prevent accidents and ensure the proper functioning of your electrical system. Always turn off the power before making any electrical connections, and use the appropriate tools and materials for the job. If you’re unsure about any aspect of your electrical system, consult a professional electrician for assistance.

Overall, home electrical wiring diagrams are valuable tools for understanding, maintaining, and upgrading your home’s electrical system. By familiarizing yourself with these diagrams and following best practices for electrical work, you can ensure a safe and efficient electrical system in your home.

So, whether you’re planning a renovation project or just want to learn more about how your home’s electrical system works, consider consulting electrical wiring diagrams to guide you through the process. With the right information and precautions, you can tackle electrical projects with confidence and peace of mind.


Download and Print Home Electrical Wiring Diagrams Listed below

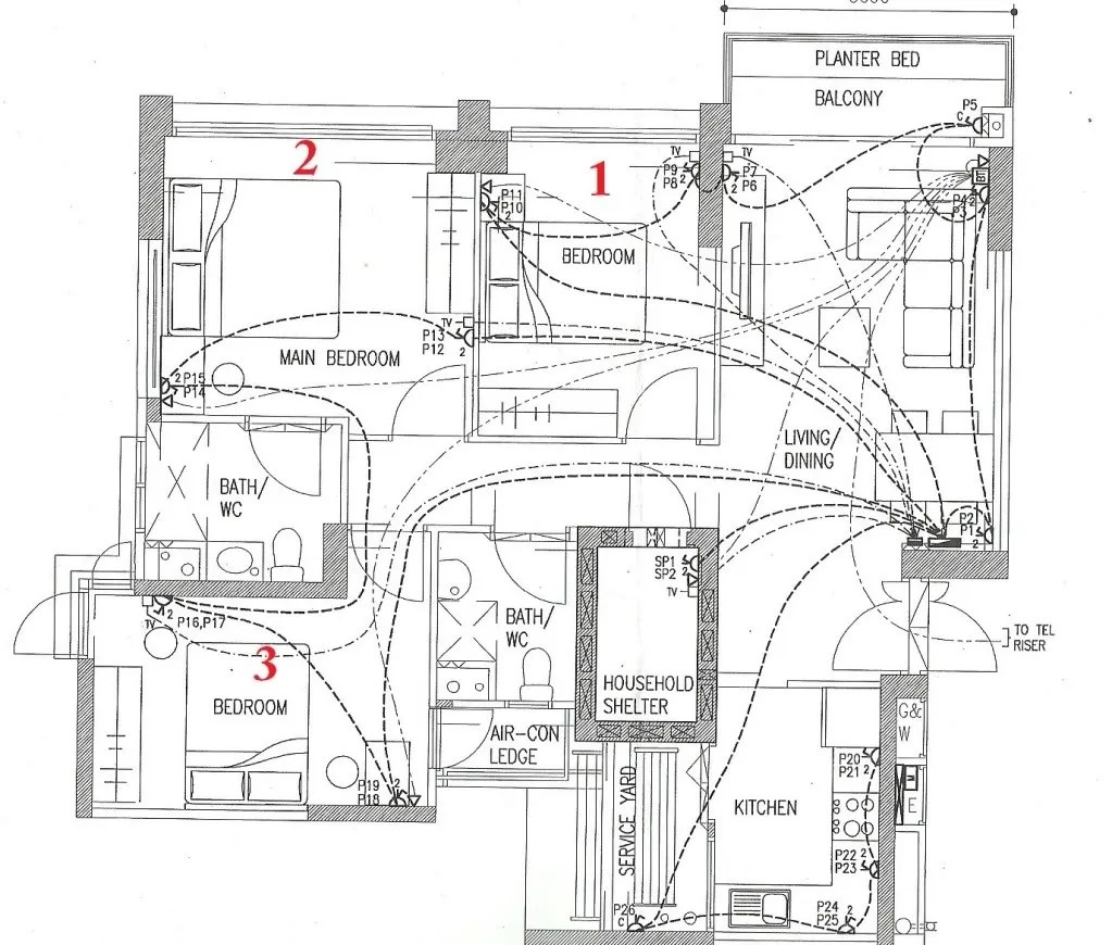
Home Electrical Wiring Diagram Wiring Diagram And SchematicsHome Electrical Wiring Diagram Wiring Diagram And Schematics (www.caretxdigital.com)

Electrical Symbols And Line Diagrams Chapter 3 Wiring DiagraElectrical Symbols And Line Diagrams Chapter 3 Wiring Diagra (naviladz9wiring.z14.web.core.windows.net)

Understanding Single Wide Mobile Home Electrical Wiring Diagrams Understanding Single Wide Mobile Home Electrical Wiring Diagrams (wiregram.homyracks.com)

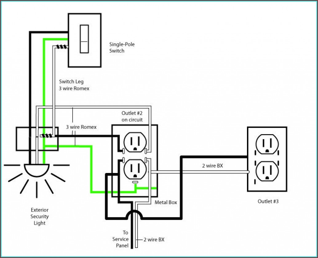
Electrical Wiring Diagram House Wiring Electrical House Diagram Outlets Electrical Wiring Diagram House Wiring Electrical House Diagram Outlets (www.wiringname.com)

Mobile Home Wiring DiagramsMobile Home Wiring Diagrams (wiringdiagrm.netlify.app)

Home Electrical Wiring Diagrams

Mastering Home Electrical Wiring Diagrams is more than just a technical skill — it’s a powerful tool that can greatly boost the accuracy, safety, and outcome of any electrical project. Whether you’re a homeowner handling DIY installations or a qualified technician dealing with large-scale systems, the ability to analyze wiring diagrams effectively can avoid delays, reduce issues, and ensure success.

The Home Electrical Wiring Diagrams function as a universal language in the world of electricity. They break down complex circuits, provide clarity during troubleshooting, and ensure that every connection is made with accuracy and intent. As electrical technology moves forward, having a solid understanding of these diagrams keeps you prepared for change and ready to handle modern systems.

Remember, no matter your experience level, ongoing education is key. Look into real-world examples, follow industry standards, and don’t hesitate to seek expert advice when needed.

Thank you for taking the time to read this article Home Electrical Wiring Diagrams. We hope it helped you gain a deeper understanding of wiring diagrams and their role. Be sure to browse our other articles to continue learning more in electrical systems and beyond.