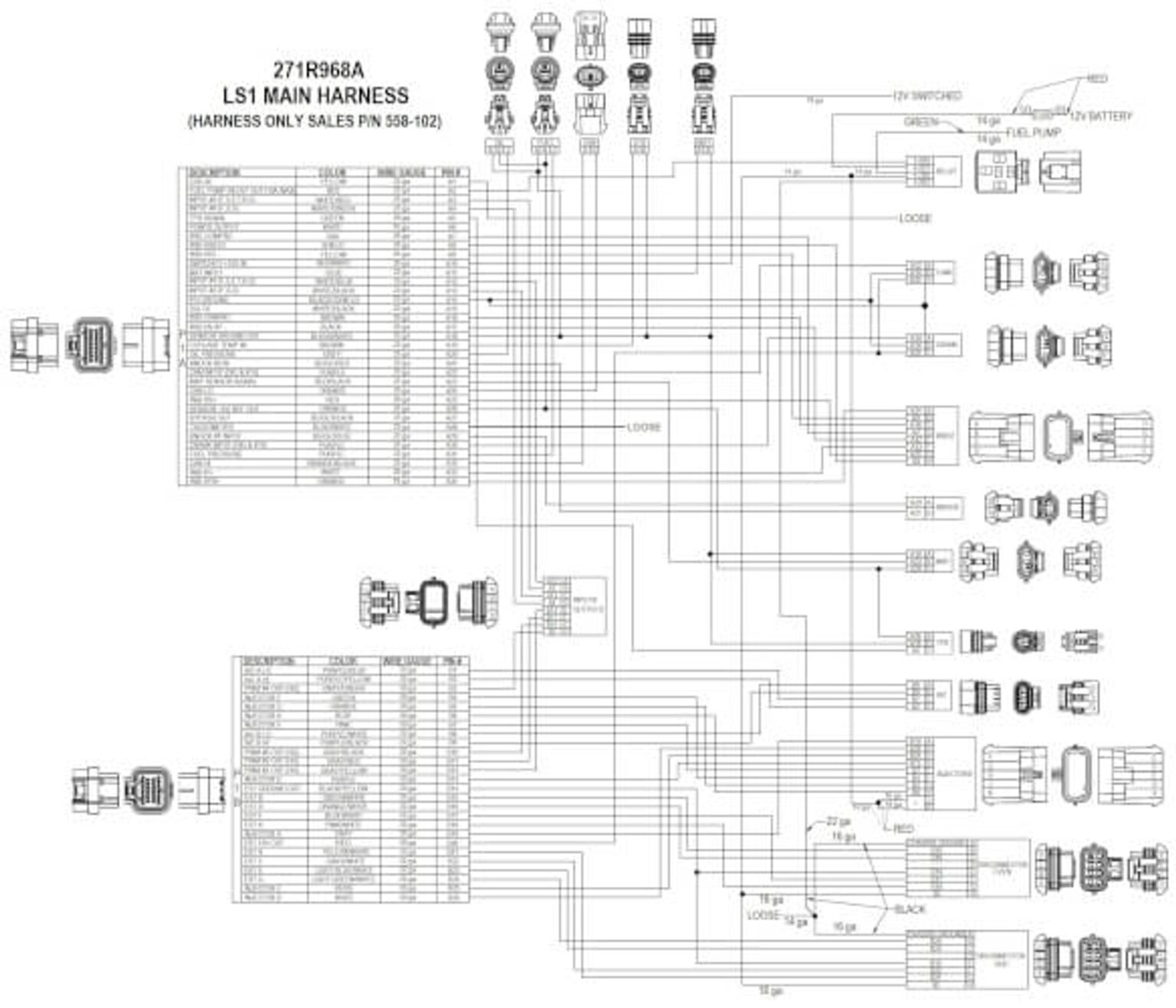
Holley Terminator X Wiring Diagram

When it comes to installing aftermarket EFI systems, having a comprehensive wiring diagram is essential to ensure a smooth and successful installation process. The Holley Terminator X Wiring Diagram provides users with a detailed layout of the wiring connections required to set up the Terminator X EFI system. This diagram is user-friendly and makes it easy for even beginners to follow along and complete the installation with ease.

The Holley Terminator X Wiring Diagram is a valuable resource for anyone looking to upgrade their vehicle’s fuel injection system. This diagram outlines the necessary connections for the Terminator X EFI system, including power, ground, sensor inputs, and outputs. By following the diagram step by step, users can ensure that their installation is done correctly and avoid any potential issues down the road.

Holley Terminator X Max Wiring Diagram All You Need To Know Moo WiringHolley Terminator X Max Wiring Diagram All You Need To Know Moo Wiring (moowiring.com)

One of the key benefits of the Holley Terminator X Wiring Diagram is its simplicity. The diagram is laid out in a clear and easy-to-follow format, making it accessible to users of all skill levels. Whether you are a seasoned mechanic or a DIY enthusiast, the wiring diagram provides you with the guidance you need to complete the installation confidently and efficiently.

Additionally, the Holley Terminator X Wiring Diagram includes color-coded wires and labels for each connection, further simplifying the installation process. This visual aid helps users identify the correct wiring components and ensures that everything is hooked up correctly. With the Terminator X Wiring Diagram in hand, users can feel confident in their ability to set up the EFI system correctly the first time.

In conclusion, the Holley Terminator X Wiring Diagram is a valuable tool for anyone looking to upgrade their vehicle’s fuel injection system. With its clear layout, detailed instructions, and visual aids, the wiring diagram provides users with the guidance they need to complete the installation with confidence. By following the diagram step by step, users can ensure that their Terminator X EFI system is set up correctly and ready to deliver optimal performance.


Download and Print Holley Terminator X Wiring Diagram Listed below

Holley Terminator X Wiring Diagram Ls3Holley Terminator X Wiring Diagram Ls3 (axiom-northwest.com)

Holley Terminator X Wiring Diagram LsHolley Terminator X Wiring Diagram Ls (scheme360.net)

Holley Terminator X Wiring Diagram HeadcontrolsystemHolley Terminator X Wiring Diagram Headcontrolsystem (headcontrolsystem.com)

Holley Terminator X Wiring Diagram HeadcontrolsystemHolley Terminator X Wiring Diagram Headcontrolsystem (headcontrolsystem.com)

Holley Terminator Wiring Diagram IOT Wiring DiagramHolley Terminator Wiring Diagram IOT Wiring Diagram (www.176iot.com)

Holley Terminator X Wiring Diagram

Mastering Holley Terminator X Wiring Diagram is more than just a technical skill — it’s a valuable asset that can greatly boost the effectiveness, security, and efficiency of any electrical project. Whether you’re a homeowner tackling DIY installations or a professional electrician dealing with large-scale systems, the ability to read and interpret wiring diagrams clearly can save you time, reduce issues, and ensure success.

The Holley Terminator X Wiring Diagram serve as a standard guide in the world of electricity. They break down complex circuits, provide clarity during troubleshooting, and support that every connection is made with purpose and precision. As electrical technology continues to evolve, having a solid understanding of these diagrams keeps you up to date and able to handle new technologies.

Remember, no matter your skill set, continuous learning is key. Take the time to explore real-world examples, stay updated with industry standards, and don’t hesitate to seek expert advice when needed.

We appreciate your time for read Holley Terminator X Wiring Diagram. We hope it provided useful knowledge of wiring diagrams and their role. Be sure to explore our other resources to continue expanding your skills in technical topics and beyond.