Electrical wiring diagram software is a valuable tool for electricians, engineers, and DIY enthusiasts who need to create accurate and professional-looking diagrams for electrical projects. With the help of this software, users can easily design and document wiring plans, circuit layouts, and other electrical schematics with precision and efficiency.
Whether you are working on a residential, commercial, or industrial project, having access to reliable electrical wiring diagram software can save you time and effort in planning and executing your electrical installations. These programs offer a range of features and tools that make it easy to create, edit, and share detailed diagrams that comply with industry standards and regulations.
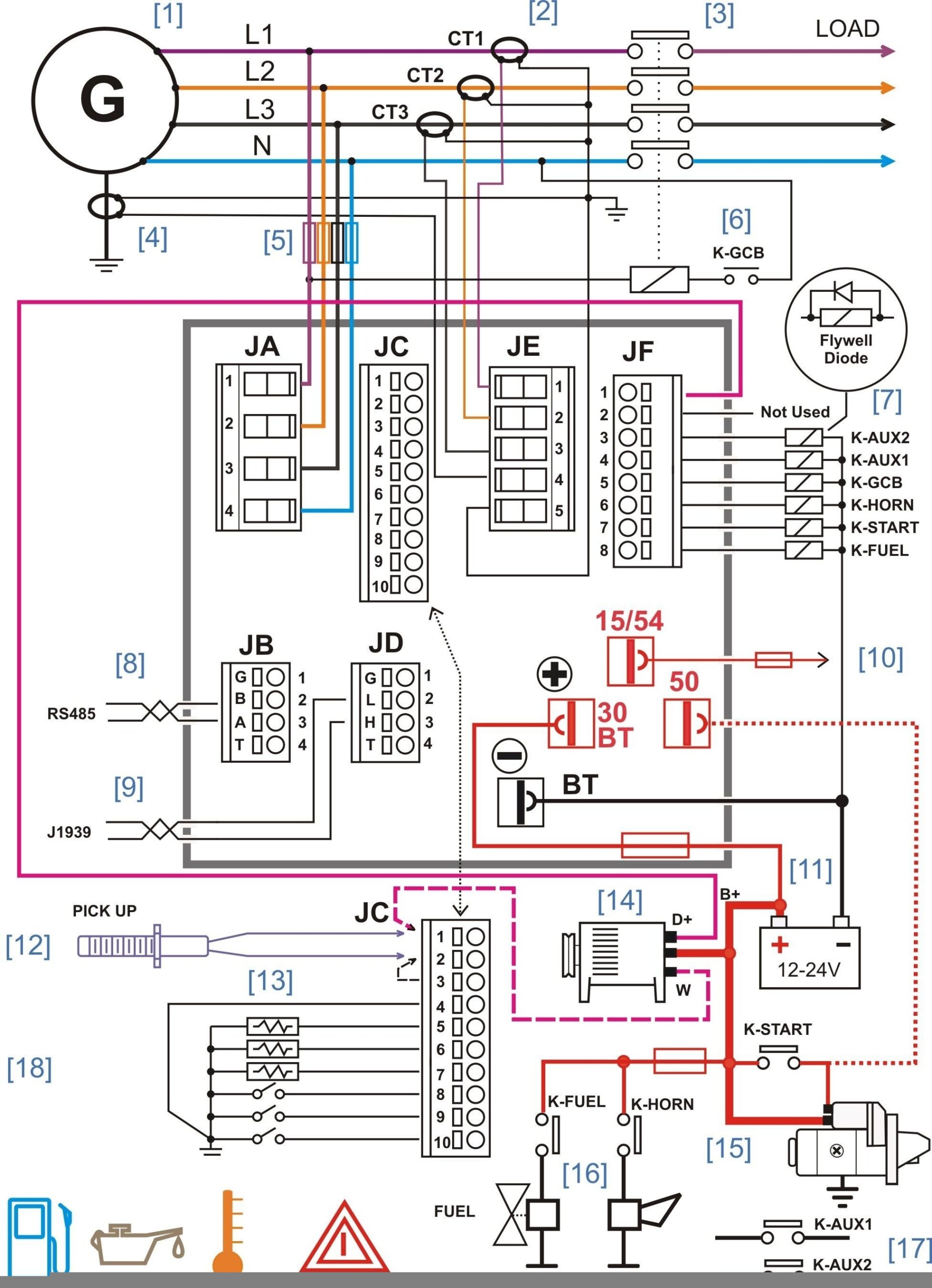
Electrical Wiring Diagram Software (wirefixatovercharge.z14.web.core.windows…)
One of the key advantages of using electrical wiring diagram software is the ability to visualize complex wiring configurations and troubleshoot potential issues before starting the installation process. By creating a detailed diagram of the circuit layout, users can identify any errors or conflicts in the design and make necessary adjustments to ensure the safety and functionality of the electrical system.
In addition to creating wiring diagrams, many software programs also offer interactive features such as 3D modeling, simulation tools, and virtual testing environments that allow users to test the performance and efficiency of their electrical designs in a virtual setting. This can help users identify and resolve any potential issues or inefficiencies in the system before they occur in the real-world installation.
Overall, electrical wiring diagram software is a valuable tool for anyone involved in electrical projects, from professionals to DIY enthusiasts. By using this software, users can streamline the design process, ensure compliance with industry standards, and enhance the overall quality and safety of their electrical installations.
Whether you are designing a new electrical system or troubleshooting an existing one, investing in a reliable electrical wiring diagram software can help you achieve accurate and efficient results in your projects.