Electric Trailer Brake Wiring Diagram

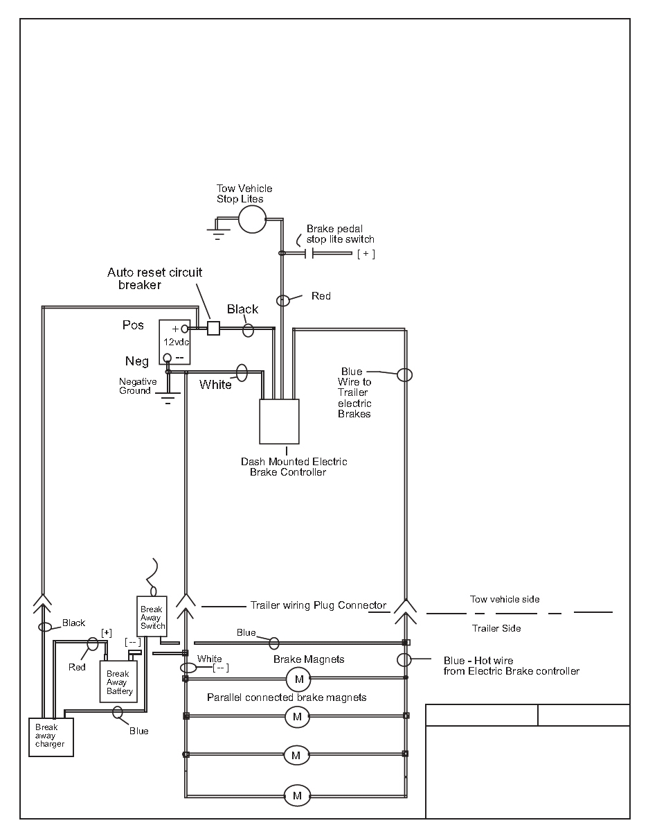
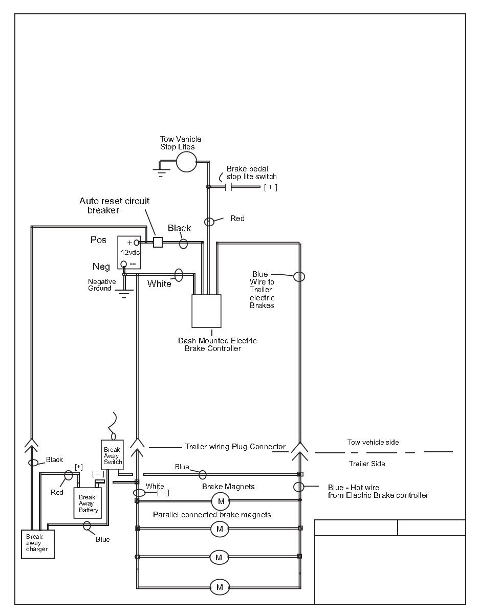
Electric trailer brakes are a vital component of any trailer towing system. They provide additional braking power for the trailer, helping to stop both the vehicle and the trailer safely. In order for the electric trailer brakes to work effectively, they need to be properly wired to the towing vehicle. Understanding the wiring diagram for electric trailer brakes is essential for safe towing.

When it comes to wiring electric trailer brakes, it is important to follow a specific diagram to ensure proper installation and functionality. The wiring diagram typically includes information on the color-coding of wires, the connection points, and the necessary components for the system to work correctly. By following the diagram carefully, you can easily wire electric trailer brakes on your own or with the help of a professional.

Mastering Electric Trailer Brake Wiring Diagrams With Breakaway In 5 Mastering Electric Trailer Brake Wiring Diagrams With Breakaway In 5 (wiringall.com)

One of the key components in the electric trailer brake wiring diagram is the brake controller. This device is responsible for sending signals from the towing vehicle to the trailer brakes, activating them when the vehicle brakes are applied. The brake controller needs to be wired to both the towing vehicle’s brake system and the trailer brakes, following the specific instructions provided in the wiring diagram.

Another important aspect of the wiring diagram is the connection points for the wires. Each wire in the diagram serves a specific purpose and needs to be connected to the appropriate component. It is crucial to double-check the connections to ensure that everything is properly wired and secure. Any loose connections or incorrect wiring can lead to brake failure and potential accidents while towing.

In addition to the brake controller and connection points, the wiring diagram also includes information on the power source for the electric trailer brakes. This source can vary depending on the towing vehicle and trailer setup, so it is essential to consult the diagram for the correct power supply. Without the proper power source, the electric trailer brakes will not function correctly, compromising the safety of the towing system.

Overall, understanding the electric trailer brake wiring diagram is crucial for safe and effective towing. By following the diagram carefully, you can ensure that your trailer brakes are properly installed and wired, providing the necessary braking power for a smooth and secure towing experience.


Download and Print Electric Trailer Brake Wiring Diagram Listed below

Mastering Electric Trailer Brake Wiring Diagrams With Breakaway In 5 Mastering Electric Trailer Brake Wiring Diagrams With Breakaway In 5 (wiringall.com)

How To Wire Electric Trailer Brakes A Comprehensive Wiring Diagram GuideHow To Wire Electric Trailer Brakes A Comprehensive Wiring Diagram Guide (kdi-ppi.com)

Travel Trailer Brake Wiring DiagramTravel Trailer Brake Wiring Diagram (stewart-switch.com)

Tekonsha P3 Prodigy Caravan Trailer Electric Brake Controller Bonus Tekonsha P3 Prodigy Caravan Trailer Electric Brake Controller Bonus (annawiringdiagram.com)

Electric Trailer Brake Wiring Diagram Wiring DiagramElectric Trailer Brake Wiring Diagram Wiring Diagram (www.autowiringdiagram.net)

Electric Trailer Brake Wiring Diagram

Mastering Electric Trailer Brake Wiring Diagram is more than just a basic requirement — it’s a key advantage that can greatly enhance the quality, safety, and performance of any electrical project. Whether you’re a DIY enthusiast working on DIY installations or a professional electrician dealing with industrial tasks, the ability to understand wiring diagrams effectively can increase productivity, minimize errors, and deliver better outcomes.

The Electric Trailer Brake Wiring Diagram act as a standard guide in the world of electricity. They break down complex circuits, provide clarity during troubleshooting, and ensure that every connection is made with purpose and precision. As electrical technology continues to evolve, having a solid understanding of these diagrams keeps you up to date and ready to handle modern systems.

Don’t forget, no matter your background, ongoing education is key. Study real-world examples, follow industry standards, and don’t hesitate to seek expert advice when needed.

We appreciate your time for read Electric Trailer Brake Wiring Diagram. We hope it gave you insight of wiring diagrams and their value. Be sure to check out our other guides to continue building your knowledge in electrical work and beyond.