Brake Controller Wiring Diagram

Brake controllers are essential for safe towing, as they help synchronize the braking system of the trailer with that of the tow vehicle. Proper wiring is crucial to ensure that the brake controller functions correctly and effectively. Understanding the wiring diagram is key to installing and troubleshooting any issues that may arise.

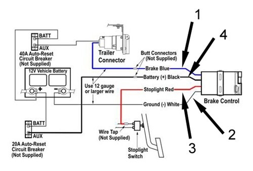
Most brake controllers come with a wiring diagram that outlines the color-coding of the wires and how they should be connected to the vehicle’s electrical system. It is important to follow this diagram carefully to avoid any potential damage to the brake controller or the vehicle’s wiring.

Ford Brake Controller Wiring DiagramFord Brake Controller Wiring Diagram (stewart-switch.com)

Typically, the wiring diagram will include details on how to connect the brake controller to the vehicle’s battery, brake light switch, and trailer brakes. It will also indicate which wires are for power, ground, brake signal, and trailer brakes. Following the diagram step by step will ensure a safe and proper installation.

One common setup in brake controller wiring is the 4-wire system, which includes a power wire, ground wire, brake light wire, and trailer brake wire. Each wire serves a specific function and must be connected correctly for the brake controller to work effectively. It is crucial to use the appropriate gauge wire for each connection to prevent overheating or short circuits.

Before starting the wiring process, it is recommended to disconnect the vehicle’s battery to prevent any electrical mishaps. Once the wires are connected according to the wiring diagram, it is important to test the brake controller to ensure that it is functioning properly. Testing the brakes on the trailer will help verify that the synchronization between the tow vehicle and trailer is working correctly.

In conclusion, understanding the brake controller wiring diagram is crucial for a successful installation and proper functioning of the brake controller. Following the diagram carefully and using the correct wiring techniques will ensure a safe towing experience. Regular maintenance and inspection of the brake controller wiring are also important to prevent any potential issues while on the road.


Download and Print Brake Controller Wiring Diagram Listed below

Agility Trailer Brake Controller Wiring Diagram Wiring DiagramAgility Trailer Brake Controller Wiring Diagram Wiring Diagram (www.autowiringdiagram.net)

Journey Brake Controller Wiring DiagramJourney Brake Controller Wiring Diagram (www.chanish.org)

Prodigy 2 Brake Controller Wiring DiagramProdigy 2 Brake Controller Wiring Diagram (wiringall.com)

Prodigy Wiring Diagram Trusted Wiring Diagram Online Prodigy Brake Prodigy Wiring Diagram Trusted Wiring Diagram Online Prodigy Brake (annawiringdiagram.com)

Hopkins Brake Controller Wiring Diagram Wiring Diagram Trailer Hopkins Brake Controller Wiring Diagram Wiring Diagram Trailer (2020cadillac.com)

Brake Controller Wiring Diagram

Understanding Brake Controller Wiring Diagram is more than just a practical ability — it’s a powerful tool that can greatly enhance the accuracy, reliability, and efficiency of any electrical project. Whether you’re a DIY enthusiast working on basic setups or a professional electrician dealing with complex circuits, the ability to read and interpret wiring diagrams effectively can save you time, prevent costly mistakes, and improve overall results.

The Brake Controller Wiring Diagram act as a universal language in the world of electricity. They clarify complex circuits, provide clarity during troubleshooting, and support that every connection is made with accuracy and intent. As electrical technology continues to evolve, having a solid understanding of these diagrams keeps you ahead of the curve and able to handle new technologies.

Don’t forget, no matter your background, ongoing education is key. Take the time to explore real-world examples, stay updated with industry standards, and don’t hesitate to seek expert advice when needed.

Thanks for reading Brake Controller Wiring Diagram. We hope it provided useful knowledge of wiring diagrams and their importance. Be sure to check out our other resources to continue building your knowledge in electrical work and beyond.