Boat Wiring Diagram

Boats rely heavily on electrical systems to function properly. From navigation lights to radios to bilge pumps, a boat’s wiring is crucial for safety and convenience on the water. Proper wiring ensures that all electrical components work efficiently and safely, preventing potential hazards such as fires or electrical shorts.

It’s essential for boat owners to have a clear understanding of their vessel’s wiring system. This knowledge can help prevent issues and troubleshoot problems quickly. One way to achieve this is by using a boat wiring diagram.

Hurricane Deck Boat Wiring Diagram AutocardesignHurricane Deck Boat Wiring Diagram Autocardesign (www.autocardesign.org)

Boat Wiring Diagram

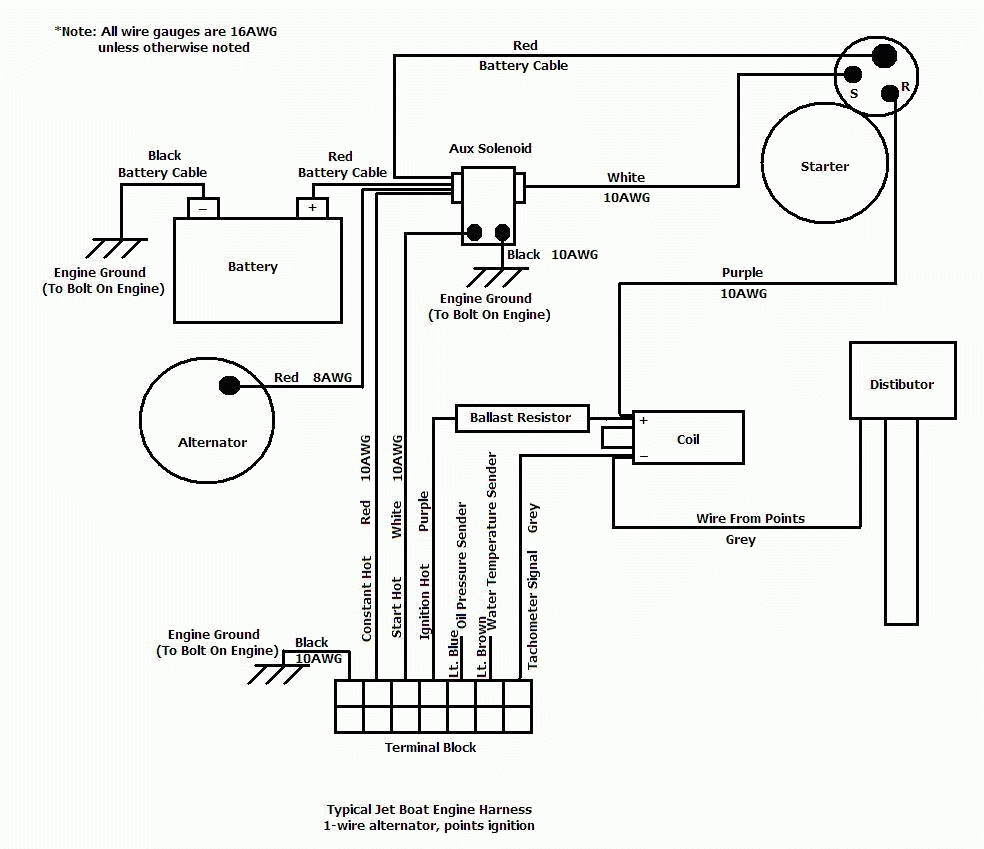
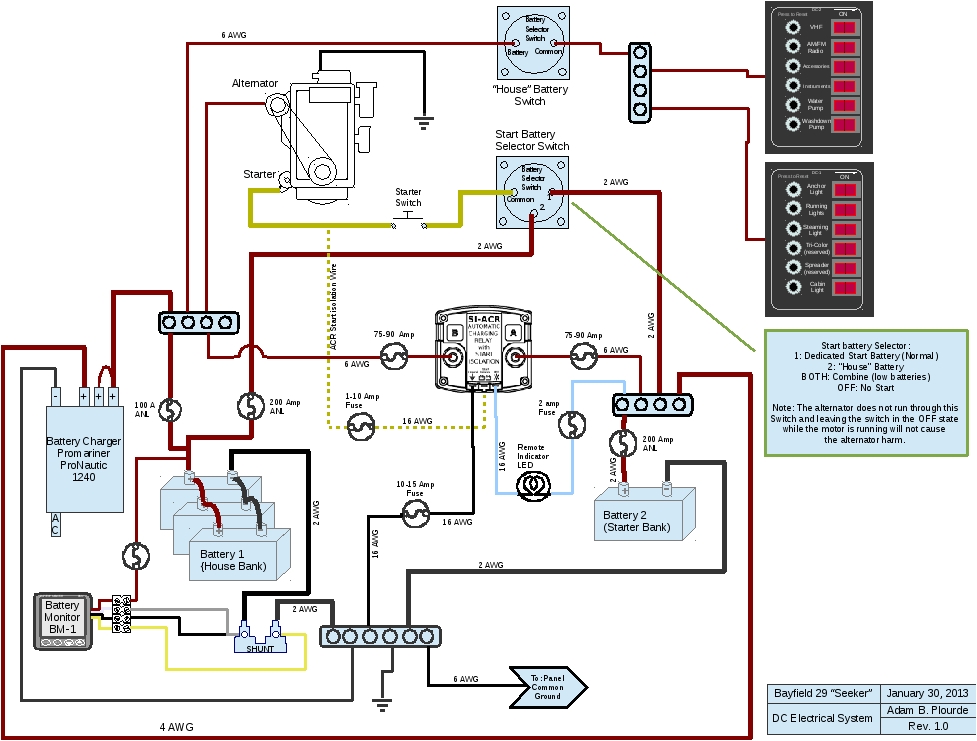
A boat wiring diagram is a visual representation of the electrical system on a boat. It shows the connections between various components such as batteries, switches, and devices. Having a wiring diagram can make it easier to identify and repair any issues that may arise.

When creating or using a boat wiring diagram, it’s important to label all components accurately and include details such as wire colors and sizes. This information can be invaluable when troubleshooting problems or making modifications to the electrical system.

Boat wiring diagrams can also help ensure that all electrical components are properly connected and grounded. This is crucial for safety on the water, as a faulty wiring connection could lead to a dangerous situation.

By referencing a boat wiring diagram, boat owners can also ensure that their electrical system is up to code and meets industry standards. This can be particularly important for boats used for commercial purposes or those that undergo regular inspections.

In conclusion, a boat wiring diagram is a valuable tool for boat owners looking to maintain a safe and efficient electrical system. By having a clear visual representation of the wiring on their vessel, owners can troubleshoot issues, make modifications, and ensure that all components are properly connected. Investing the time to create or obtain a boat wiring diagram can ultimately save time, money, and potentially prevent dangerous situations on the water.


Download and Print Boat Wiring Diagram Listed below

Bass Boat Wiring Diagram DatabaseBass Boat Wiring Diagram Database (www.got2bwireless.com)

Malibu Boat Wiring Diagram Esquilo ioMalibu Boat Wiring Diagram Esquilo Io (esquilo.io)

Wiring Diagram For Jet BoatWiring Diagram For Jet Boat (wiringdiagramall.blogspot.com)

Bass Tracker Boat Wiring Diagram Wiring DiagramBass Tracker Boat Wiring Diagram Wiring Diagram (wiringdiagram.2bitboer.com)

G3 Boat Wiring DiagramG3 Boat Wiring Diagram (www.tankbig.com)

Boat Wiring Diagram

Mastering Boat Wiring Diagram is more than just a technical skill — it’s a key advantage that can greatly improve the accuracy, safety, and performance of any electrical project. Whether you’re a DIY enthusiast working on small home projects or a skilled expert dealing with complex circuits, the ability to analyze wiring diagrams clearly can save you time, prevent costly mistakes, and deliver better outcomes.

The Boat Wiring Diagram function as a standard guide in the world of electricity. They break down complex circuits, give insight during troubleshooting, and ensure that every connection is made with accuracy and intent. As electrical technology continues to evolve, having a solid understanding of these diagrams keeps you ahead of the curve and equipped to handle modern systems.

Don’t forget, no matter your background, regular practice is key. Take the time to explore real-world examples, stay updated with industry standards, and don’t hesitate to ask questions when needed.

We appreciate your time for read Boat Wiring Diagram. We hope it helped you gain a deeper understanding of wiring diagrams and their importance. Be sure to check out our other articles to continue building your knowledge in electrical systems and beyond.