Alternator Wiring Diagrams

When it comes to electrical systems in vehicles, the alternator plays a crucial role in charging the battery and powering various components. Understanding the wiring diagrams for alternators is essential for proper installation and troubleshooting. These diagrams provide a visual representation of how the alternator is connected to the rest of the electrical system in the vehicle.

Alternator wiring diagrams typically include information about the different terminals on the alternator, such as the B+ terminal for battery connection, the S terminal for sensing voltage, and the L terminal for warning lights. By following these diagrams, mechanics and DIY enthusiasts can ensure that the alternator is wired correctly and functioning properly.

Alternator Wiring Diagram Gm Wiring DiagramAlternator Wiring Diagram Gm Wiring Diagram (wiringdiagram.2bitboer.com)

One common alternator wiring diagram configuration is the three-wire setup, which includes the main power wire, the voltage sensing wire, and the warning light wire. The main power wire connects the alternator to the battery, while the voltage sensing wire provides feedback to the regulator to control the charging output. The warning light wire is connected to the dashboard indicator light to alert the driver of any issues with the charging system.

Another popular alternator wiring diagram is the one-wire setup, which simplifies the installation process by only requiring a single wire connection between the alternator and the battery. This setup is commonly used in hot rods and custom vehicles where space is limited and a clean, minimalist look is desired. However, it’s important to ensure that the alternator is properly grounded for this setup to work effectively.

In some cases, vehicle manufacturers may have specific alternator wiring diagrams for their models, so it’s crucial to consult the appropriate service manual or wiring diagram for accurate information. Additionally, using a multimeter to test the voltage output of the alternator can help diagnose any issues with the charging system and ensure that the wiring is correct.

Overall, understanding alternator wiring diagrams is essential for maintaining the electrical system in a vehicle and ensuring reliable performance. By following the proper wiring diagrams and conducting regular maintenance checks, vehicle owners can prevent costly repairs and keep their vehicles running smoothly.


Download and Print Alternator Wiring Diagrams Listed below

Toyota Alternator Wiring DiagramToyota Alternator Wiring Diagram (www.chanish.org)

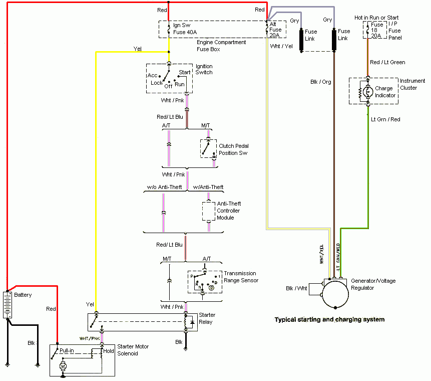
94 98 Mustang Alternator Starting And Charging Wiring Diagram94 98 Mustang Alternator Starting And Charging Wiring Diagram (diagrams.hissind.com)

4 Wire Alternator Wiring Wiring Diagrams Hubs Alternator Wiring 4 Wire Alternator Wiring Wiring Diagrams Hubs Alternator Wiring (2020cadillac.com)

Honda 4 Pin Alternator Wiring Diagram 21 ImagesHonda 4 Pin Alternator Wiring Diagram 21 Images (wiringdiagrams.netlify.app)

Ford Alternator Wiring DiagramsFord Alternator Wiring Diagrams (carsut.com)

Alternator Wiring Diagrams

Learning Alternator Wiring Diagrams is more than just a practical ability — it’s a valuable asset that can greatly boost the quality, safety, and efficiency of any electrical project. Whether you’re a casual user tackling basic setups or a professional electrician dealing with complex circuits, the ability to read and interpret wiring diagrams accurately can avoid delays, reduce issues, and deliver better outcomes.

The Alternator Wiring Diagrams act as a standard guide in the world of electricity. They simplify complex circuits, offer guidance during troubleshooting, and ensure that every connection is made with care and correctness. As electrical technology moves forward, having a solid understanding of these diagrams keeps you ahead of the curve and ready to handle new technologies.

Remember, no matter your background, continuous learning is key. Take the time to explore real-world examples, stay updated with industry standards, and don’t hesitate to get help when needed.

We appreciate your time for read Alternator Wiring Diagrams. We hope it helped you gain a deeper understanding of wiring diagrams and their role. Be sure to check out our other articles to continue expanding your skills in technical topics and beyond.