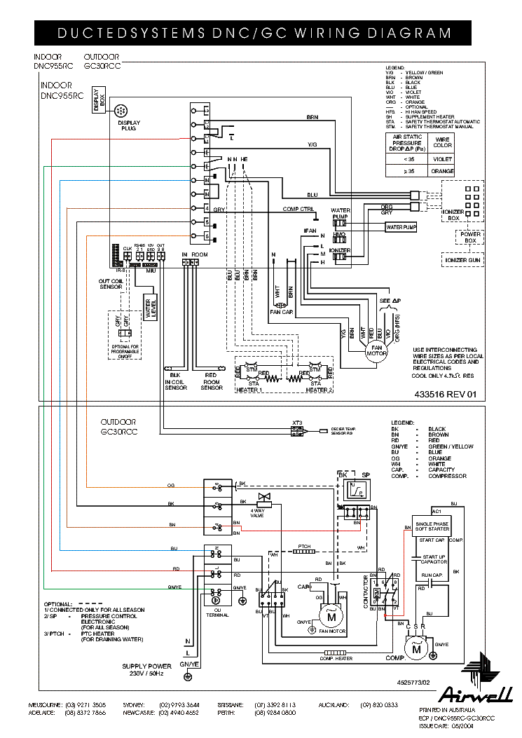
Air Conditioner Wiring Diagram

When it comes to installing or repairing an air conditioner, having a clear understanding of the wiring diagram is crucial. A wiring diagram is a detailed illustration of the electrical connections and components within the air conditioning system. By following the wiring diagram correctly, you can ensure that the system operates efficiently and safely.

Before attempting any work on your air conditioner, it is important to familiarize yourself with the wiring diagram. This will help you identify the various components, their connections, and the power source. It is also a good idea to have a basic understanding of electrical circuits and safety precautions.

Ge Air Conditioner Wiring Diagram Micro WiringGe Air Conditioner Wiring Diagram Micro Wiring (micro-wiring.blogspot.com)

Air Conditioner Wiring Diagram

The wiring diagram for an air conditioner typically includes the compressor, fan motor, capacitor, thermostat, and various other components. The diagram will show you how these parts are connected and the flow of electricity throughout the system. It will also indicate the voltage requirements for each component and the proper wire sizes to use.

One of the key components in the wiring diagram is the thermostat, which controls the temperature of the air conditioner. The thermostat is connected to the compressor and fan motor, allowing it to regulate the cooling process. By following the wiring diagram, you can ensure that the thermostat is properly connected and functioning correctly.

Another important component in the wiring diagram is the capacitor, which helps start the compressor and fan motor. The capacitor stores electrical energy and releases it when needed to kick-start the motors. It is essential to follow the wiring diagram to ensure that the capacitor is connected correctly and is the right size for the system.

In addition to the compressor, fan motor, thermostat, and capacitor, the wiring diagram may also include other components such as relays, contactors, and overload protectors. These devices help control the flow of electricity and protect the system from overload or electrical faults. By understanding how these components are connected, you can troubleshoot any issues that may arise.

In conclusion, understanding the air conditioner wiring diagram is essential for installing, repairing, or troubleshooting an air conditioning system. By following the diagram carefully and using the right tools and materials, you can ensure that your air conditioner operates efficiently and safely. If you are unsure about any part of the wiring diagram, it is always best to consult with a professional technician to avoid any electrical hazards.


Download and Print Air Conditioner Wiring Diagram Listed below

A Comprehensive Guide To Understanding Dometic RV Air Conditioner A Comprehensive Guide To Understanding Dometic RV Air Conditioner (autoctrls.com)

 DIAGRAM Air Conditioner Wiring Diagram Manual MYDIAGRAM ONLINEDIAGRAM Air Conditioner Wiring Diagram Manual MYDIAGRAM ONLINE (mydiagram.online)

Central Air Conditioner Wiring DiagramCentral Air Conditioner Wiring Diagram (resolutionsforyou.com)

2006 Ford Lcf Air Conditioner Wiring Diagram2006 Ford Lcf Air Conditioner Wiring Diagram (diagramweb.net)

Ac Hvac Wiring Wiring Diagram Central Air Conditioner Wiring Ac Hvac Wiring Wiring Diagram Central Air Conditioner Wiring (2020cadillac.com)

Air Conditioner Wiring Diagram

Learning Air Conditioner Wiring Diagram is more than just a practical ability — it’s a key advantage that can greatly boost the accuracy, reliability, and performance of any electrical project. Whether you’re a homeowner tackling basic setups or a skilled expert dealing with industrial tasks, the ability to read and interpret wiring diagrams effectively can avoid delays, minimize errors, and deliver better outcomes.

The Air Conditioner Wiring Diagram function as a common framework in the world of electricity. They break down complex circuits, offer guidance during troubleshooting, and support that every connection is made with accuracy and intent. As electrical technology advances, having a solid understanding of these diagrams keeps you up to date and ready to handle new technologies.

Don’t forget, no matter your experience level, ongoing education is key. Study real-world examples, keep up with industry standards, and don’t hesitate to seek expert advice when needed.

Thank you for taking the time to read this article Air Conditioner Wiring Diagram. We hope it provided useful knowledge of wiring diagrams and their role. Be sure to explore our other articles to continue expanding your skills in electrical systems and beyond.