When it comes to wiring a 5 pole ignition switch, it is important to follow the correct diagram to ensure that everything is connected properly. The ignition switch is a crucial component in your vehicle’s electrical system, as it is responsible for turning the engine on and off. By understanding the wiring diagram, you can easily install or troubleshoot any issues with your ignition switch.
Before you begin wiring the 5 pole ignition switch, make sure to gather all the necessary tools and materials. This includes wire cutters, electrical tape, and a wiring diagram specific to your vehicle. It is important to disconnect the battery before starting any electrical work to prevent any accidents or damage to your vehicle.
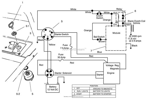
5 Pole Ignition Switch Wiring Diagram (www.yardguides.com)
Next, carefully study the wiring diagram to identify the different terminals on the ignition switch. The 5 pole ignition switch will have five terminals labeled with letters or numbers. Each terminal serves a specific function, such as power input, accessory power, ignition, starter, and ground. Make sure to connect each wire to the correct terminal according to the wiring diagram.
Once you have connected all the wires to the appropriate terminals on the ignition switch, double-check your work to ensure that everything is secure and properly connected. Use electrical tape to secure the wires and prevent any short circuits. It is also important to test the ignition switch before reattaching the battery to ensure that it is functioning correctly.
In conclusion, wiring a 5 pole ignition switch requires careful attention to detail and following the correct wiring diagram. By taking the time to properly install the ignition switch, you can ensure that your vehicle’s electrical system functions smoothly. If you encounter any issues during the installation process, do not hesitate to consult a professional for assistance.